EasyManua.ls Logo

GE Multilin W650 - Page 242

GE Multilin W650
622 pages
Print Icon
To Next Page IconTo Next Page
To Next Page IconTo Next Page
To Previous Page IconTo Previous Page
To Previous Page IconTo Previous Page
Loading...
5-102 W650 Wind Generator Protection System GEK-113032A
5.6 INPUTS/OUTPUTS 5 SETTINGS
5
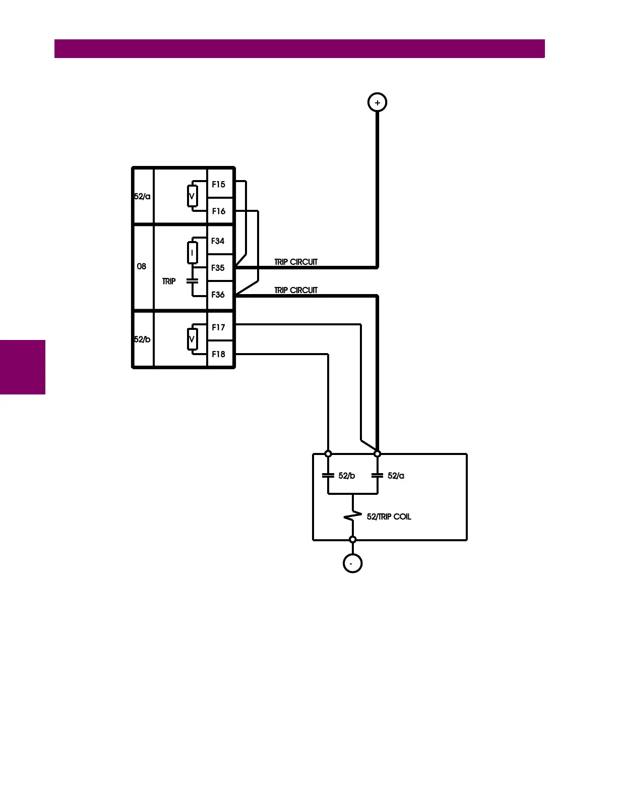
e) WITH DOUBLE VOLTAGE SUPERVISION
Figure 5–30: SUPERVISION APPLICATION WITH AUXILIARY CONTACTS 52A AND 52B (A6631F4)

Table of Contents

Related product manuals