EasyManua.ls Logo

GE Multilin W650 - Page 241

GE Multilin W650
622 pages
Print Icon
To Next Page IconTo Next Page
To Next Page IconTo Next Page
To Previous Page IconTo Previous Page
To Previous Page IconTo Previous Page
Loading...
GEK-113032A W650 Wind Generator Protection System 5-101
5 SETTINGS 5.6 INPUTS/OUTPUTS
5
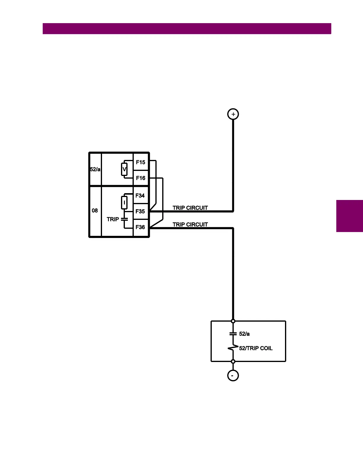
This works correctly in steady state. However, if the breaker trips, while it is opening, the V 52/a input signal can be
deactivated without this meaning that the circuit is not correct. This is due to the fact that the tripping relay, terminals F35-
F36, short circuits input V 52/a temporarily.
Therefore, if there is a trip signal, it is permitted that no signal will be detected during a period of 1 s to allow the breaker to
open, and reopen the tripping relay F35-F36.
Figure 5–29: shows the possibility of monitoring the circuit only when the breaker is closed. In this case resistance R will
not be used, but it must be observed in the element logic that the corresponding signal CONT IP_F_CC16 (SUP_COIL2)
will be activated showing a failure when the breaker is open. Therefore it will be required to supervise the continuity failure
signaling by the breaker status information
.
Figure 5–29: TRIP CIRCUIT AND TRIP COIL SUPERVISION USING AUXILIARY CONTACT 52/A. ONLY WITH
CLOSED BREAKER (A6631F5)

Table of Contents

Related product manuals