EasyManua.ls Logo

GE Multilin W650 - Page 244

GE Multilin W650
622 pages
Print Icon
To Next Page IconTo Next Page
To Next Page IconTo Next Page
To Previous Page IconTo Previous Page
To Previous Page IconTo Previous Page
Loading...
5-104 W650 Wind Generator Protection System GEK-113032A
5.6 INPUTS/OUTPUTS 5 SETTINGS
5
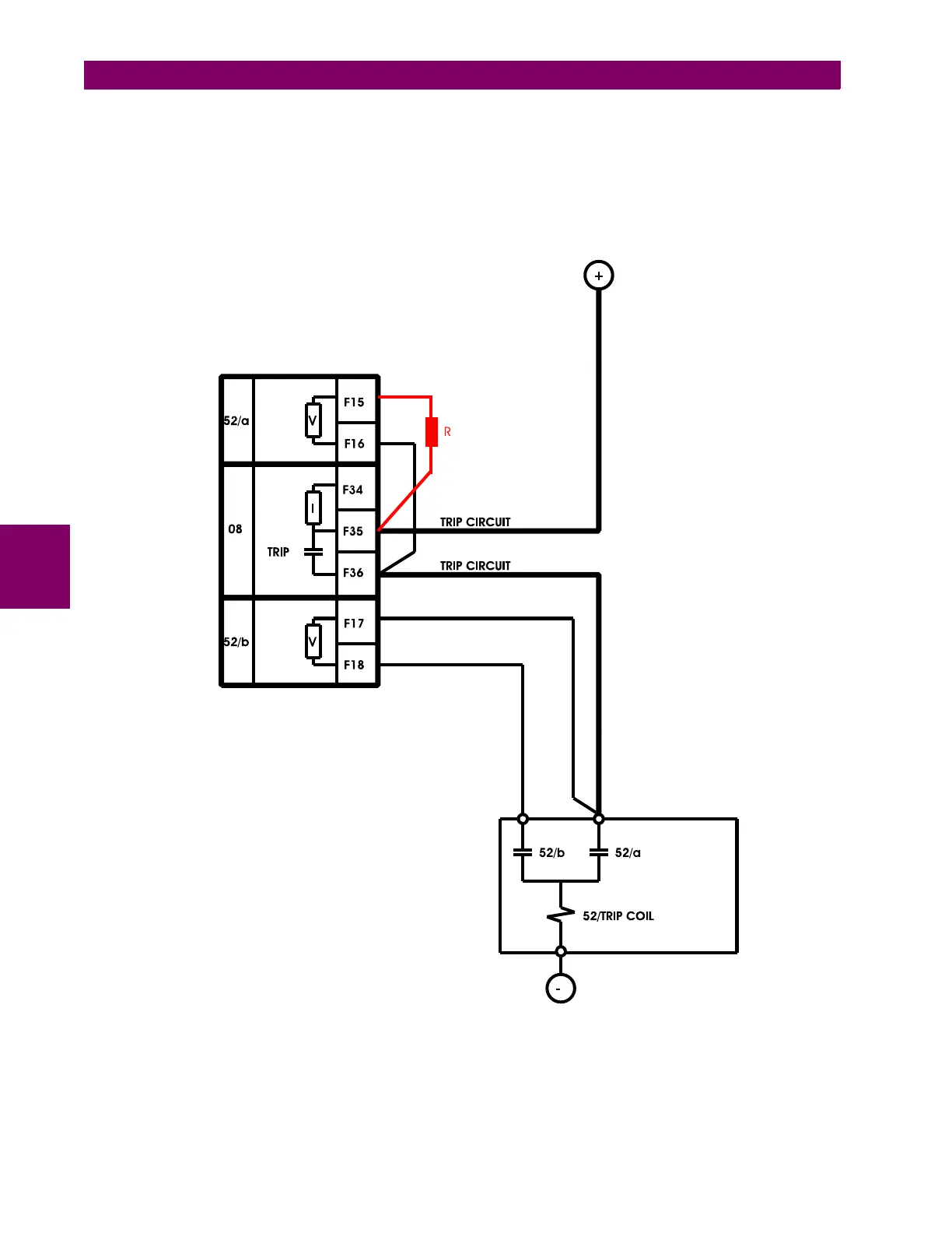
f) WITH DOUBLE VOLTAGE SUPERVISION AND SERIAL RESISTOR IN VOLTAGE MONITORS.
Figure 5–31:shows the supervision scheme with an external resistor.
An external series resistor is used with the 52a voltage monitor to prevent CB tripping with a short-circuited voltage monitor.
With CB open, 52/a is open and 52/b is closed. A shorted 52/a voltage monitor will not cause a trip because 52/b voltage
monitor is current limitted to 2mA. With a shorted 52/b voltage monitor, no false trip will be performed because 52/a is in
series limiting current to 2mA.
Figure 5–31: SUPERVISION APPLICATION WITH AUXILIARY CONTACTS 52A AND 52B AND SERIES RESISTOR IN
F15-F16

Table of Contents

Related product manuals