EasyManua.ls Logo

GE P54C - Page 847

GE P54C
850 pages
Print Icon
To Next Page IconTo Next Page
To Next Page IconTo Next Page
To Previous Page IconTo Previous Page
To Previous Page IconTo Previous Page
Loading...
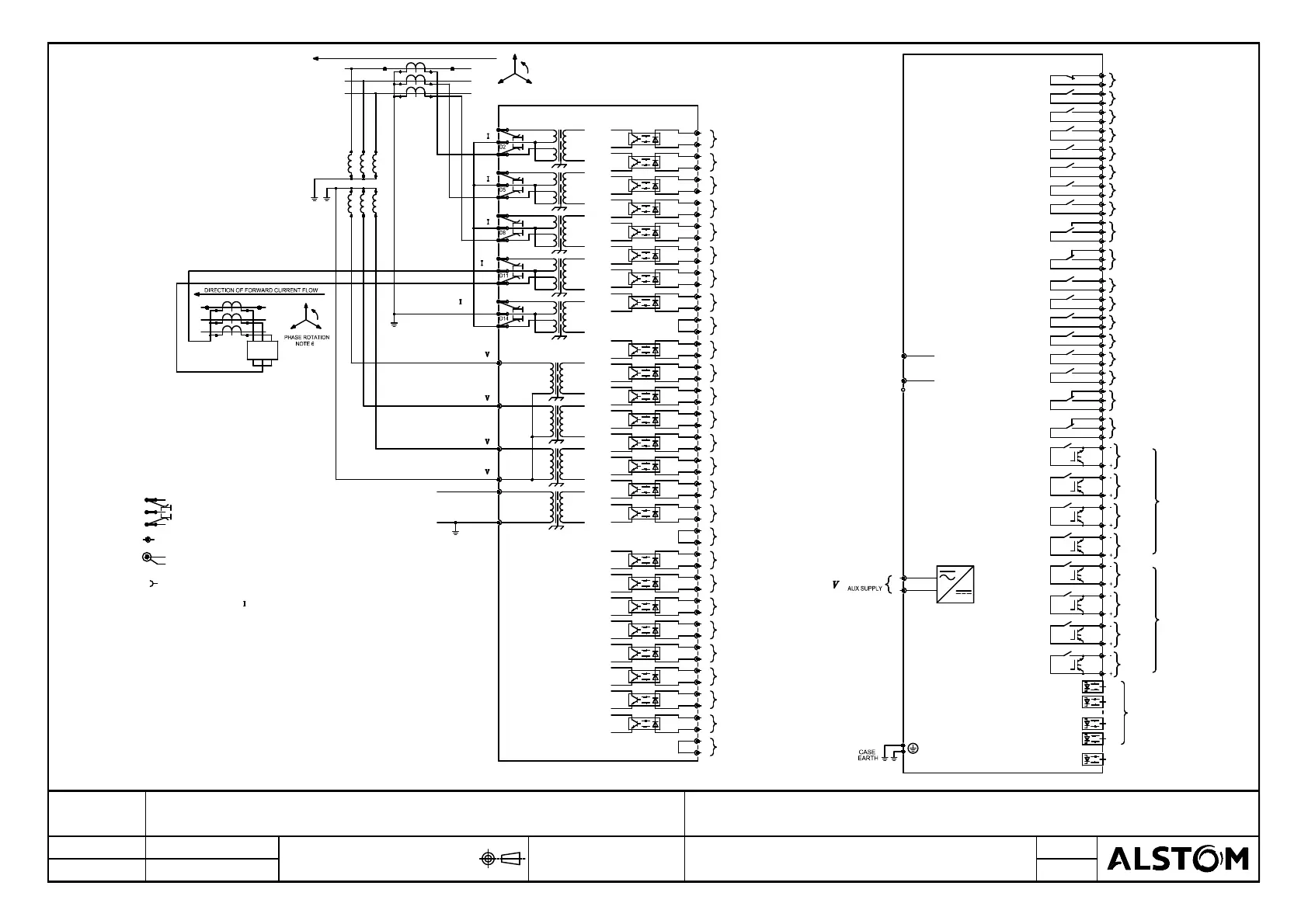
3. V BUSBAR ONLY REQUIRED IF CHECK SYNCHRONISM FUNCTION ENABLED.
4. MUTUAL CURRENT INPUT ONLY REQUIRED IF ENABLED
5. C.T. CONNECTIONS ARE SHOWN 1A CONNECTED AND ARE TYPICAL ONLY.
DRIVEN FROM A CORE BALANCE CT WHEN SENSITIVE
2. USED FOR SEF PROTECTION. SENSITIVE SHOULD BE
8. WITH C.T. POLARITY SETTING 'STANDARD'.
6. REVERSE PHASE ROTATION IS ALSO SUPPORTED.
7. FOR COMMS OPTIONS SEE DRAWING 10Px4001.
IN LINE PARAMETERS.
(b)
NOTES 1.
(a)
PIN TERMINAL (P.C.B. TYPE)
50 OHM BNC CONNECTOR
9-WAY & 25-WAY FEMALE D-TYPE SOCKET
SETTINGS ARE USED.
N
C.T. SHORTING LINKS
V BUSBAR
(SEE NOTE 3.)
D24
D23
N
D22
D21
C
PARALLEL LINE
PROTECTION
C
P2
A
B
S2 S1
P1
C
A
B
NOTE 4.
B
NOTE 2.
SENSITIVE
N
a
b
c
n
5AD13
B
D20
A
D19
D15
1A
M
D12
D9
D10
1A
5A
1A
D7
C
D6
5A
1A
DIRECTION OF FORWARD CURRENT FLOW (SEE NOTE 8)
A
A
N
B
C
B
C
NOTE 5.
S2 S1
P2 P1
MiCOM P54E (PART)
5AD1
D4
D3
A
1A
5A
SEE NOTE 6
PHASE ROTATION
C B
A
RELAY 13
+
EIA485/
KBUS
PORT
-
C7
POWER SUPPLY VERSION 24-48V (NOMINAL) D.C. ONLY
AC OR DC
G18
CONNECTION
OPTO 21
OPTO 22
OPTO 23
OPTO 24
COMMON
G13
G14
G15
G16
G17
-
+
+
-
G11
G12
G10
G9
+
-
-
+
+
*
x
+
M2
+
CONNECTION
COMMON
OPTO 17
OPTO 18
OPTO 19
OPTO 20
G6
G7
G8
G5
G4
-
+
-
-
+
C18
C17
G1
G3
G2
+
-
OPTO 16
OPTO 15
OPTO 14
OPTO 13
OPTO 12
C13
C12
C16
C15
C14
-
+
-
+
C11
C10
C8
C9
+
-
-
+
-
-
M1
*
M16
SCN
M18
NOTE 7
COMMUNICATION
CURR DIFF
FIBRE OPTIC
CONNECT TO P594
TX2
RX2
RX1
TX1
RX1
K18
K16
K17
RELAY 16
K13
K15
K14
K12
K10
K11
RELAY 15
RELAY 14
MiCOM P54E (PART)
OPTO 11
OPTO 10
CONNECTION
OPTO 9
COMMON
OPTO 8
C2
C6
C5
C4
C3
+
+
-
-
+
E17
E16
E18
C1
-
+
-
OPTO 4
OPTO 5
OPTO 3
OPTO 7
OPTO 6
+
E15
E14
E13
E11
E12
+
-
+
-
E10
E8
E9
E7
E6
-
+
-
+
M17
OPTO 2
OPTO 1
E1
E5
E4
E2
E3
+
-
-
+
-
RELAY 10
RELAY 12
K8
K9
K7
K5
K6
K4
RELAY 11
K2
K3
K1
L17
L16
L18
RELAY 9
RELAY 8
L13
L15
L14
L12
L10
L11
RELAY 7
RELAY 6
RELAY 5
L8
L9
L7
L5
L6
L4
RELAY 4
RELAY 2
RELAY 3
M11
WATCHDOG
CONTACT
CONTACT
WATCHDOG
L2
L3
L1
M14
M12
M13
RELAY 1
HIGH BREAK
CONTACTS
J11
J16
J12
J15
RELAY 20
RELAY 19
J4
J8
J7
J3
RELAY 17
RELAY 18
HIGH BREAK
H16
H15
RELAY 24
H12
H11
H8
H7
RELAY 23
RELAY 22
H4
H3
RELAY 21
CONTACTS
Drg
No:
Issue: Revision:
Date:
Date:
Name:
Chkd:
DO NOT SCALE
CAD DATA 1:1 DIMENSIONS: mm
Title:
Substation Automation Solutions
ALSTOM GRID UK LTD
(STAFFORD)
Sht:
Next
Sht:
07/10/2016 S.WOOTTON
SWOO-AB5E6D. INITIAL ISSUE.
10P54E01
1
2
EXTERNAL CONNECTION DIAGRAM: CURRENT DIFF RELAY
1 OR 3 POLE AUTORECLOSE & CHECK SYNCH (80TE)
B

Table of Contents

Related product manuals