EasyManua.ls Logo

Generac Power Systems 7 kW NG - Electrical Schematic, 20 Kw Home Standby

Generac Power Systems 7 kW NG
210 pages
Print Icon
To Next Page IconTo Next Page
To Next Page IconTo Next Page
To Previous Page IconTo Previous Page
To Previous Page IconTo Previous Page
Loading...
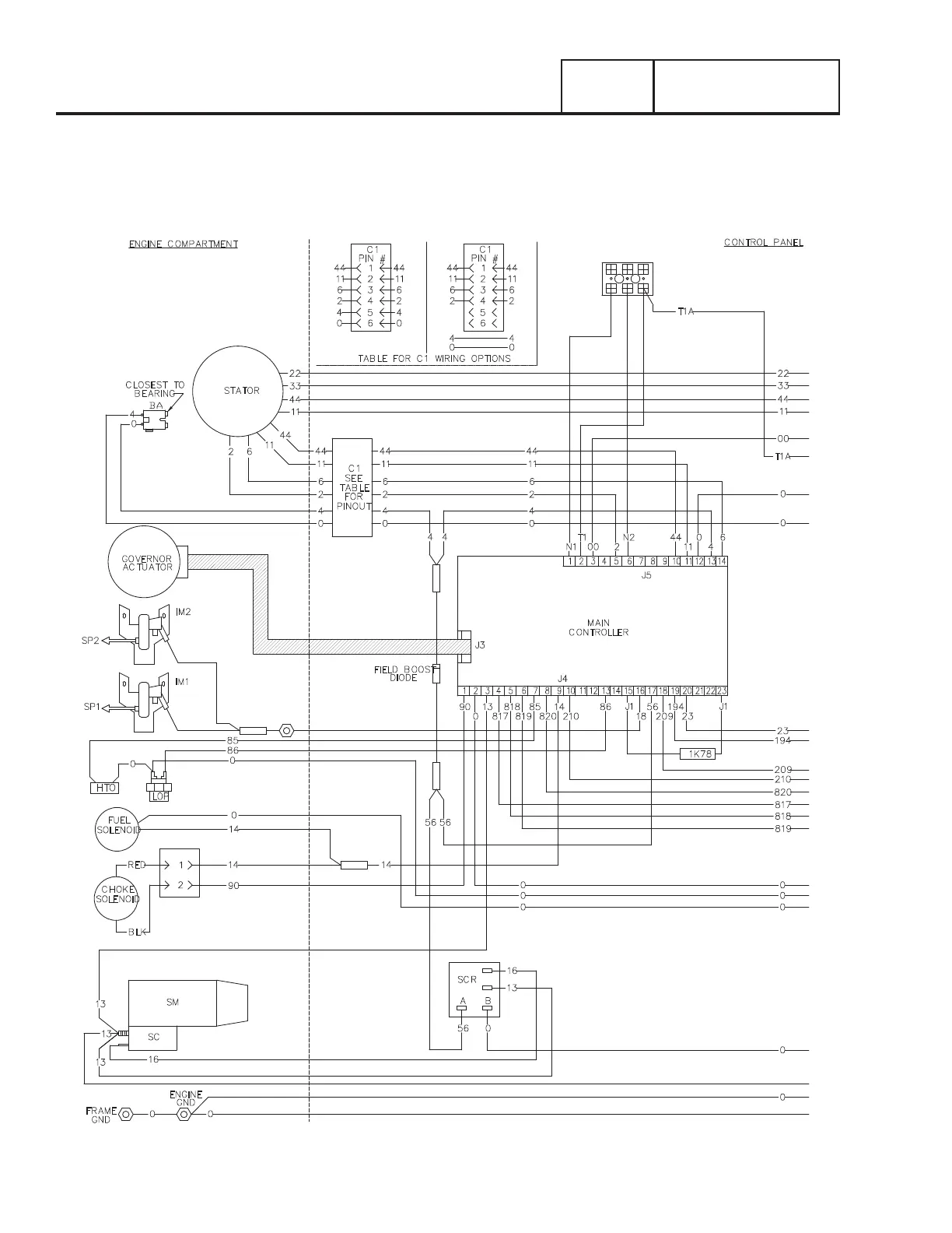
Section 7
20KW 2010 AIR-COOLED HSB
Page 186
BEARING
BA
0
4
44
22
33
11
STATOR
ENGINE COMPARTMENT
CONTROL PANEL
1 52 3 4 76 8 119 10 12 13 14 15 16 17 18
J3
J4
MAIN
CONTROLLER
SP1
IM1
SP2
IM2
HTO
LOP
0
CHOKE
SOLENOID
RED
BLK
ACTUATOR
GOVERNOR
SC
SM
FRAME
GND
0
ENGINE
GND
0
13
0
14
56
A
0
B
SCR
16
13
16
0
23
13
14
90
FUEL
SOLENOID
1 52 3 4 76 8 119 10 12 13 14
J5
19 20 21 22 23
23
194
209
56
18
86
210
14
820
85
819
818
817
13
0
90
6
411
44N2
2N1
0
86
85
0
0
14
0
194
4
44
11
11
44
2 6
2
6
CLOSEST TO
44
33
11
0
4
11
44
2
6
00
00
J1 J1
2
1
DIODE
FIELD BOOST
0
0
0
0
0
5656
44
820
817
818
819
209
210
1K78
13
22
T1A
T1
T1A
SEE
C1
11
44
2
6
6
5
2
1
4
3
PIN #
C1
TABLE
FOR
PINOUT
0
4
11
44
2
6
0
4
11
44
2
6
6
5
2
1
4
3
PIN #
C1
0
4
11
44
2
6
0
4
11
44
2
6
0
4
TABLE FOR C1 WIRING OPTIONS
0
0
0
GROUND
+ BATT
TRANS SIG
0
194
23
CUSTOMER SUPPLIED
BATTERY
12V
+
-
0
BLACK
13
RED
0
NEUT
CB1
WHITE
HOT
3
HOT
1
WHITE
0
5
4
2
DUPLEX
120V/15A
11C
00
CUSTOMER CONNECT AREA
240V GENERATOR
OUTPUT TO TRANSFER
SWITCH CONTACTOR
44 11
11C
11
0
00
820
817
818
819
WHT
1
2
3
4
LED BOARD
L1
L2
L3
L1: GREEN = SYSTEM READY
L2: YELLOW = MAINTENANCE REQ'D
L3: RED = ALARM
LEGEND
BA - BRUSH ASSEMBLY
CB1 - CIRCUIT BREAKER, MAIN OUTPUT
GND - GROUND
HTO - HIGH TEMPERATURE SWITCH
IM_ - IGNITON MODULE
SC - STARTER CONTACTOR
SCR - STARTER CONTROL RELAY
SM - STARTER MOTOR
SP_ - SPARK PLUG
- SPLICE
- DISCONNECT SPLICE
IC
11
44
22
33
11
23
194
209
210
COMMON
ALARM
00
00
GND
0 0 00 0
0
0
0
0
0
820
817
818
819
209
210
22
33
CB2 - CIRCUIT BREAKER, GFCI
CB2
0
00
T1A MOV
WHT
LOP - LOW OIL PRESSURE SWITCH
MOV - VARISTOR
11
44
0
0
0
0
BA
2
18
SP2
IM2
0
85
HTO
18
0
12V
BATTERY
SCR
IM1
SP1
44
11
POWER
WINDING
33
22
WINDING
POWER
STATOR
56
0
0
00
11C
820
817
818
819
819
818
817
820
ACTUATOR
J3
GOVERNOR
14
OUTPUT
GENERATOR
240 VAC
INPUT
UTILITY
240 VAC
GROUND
COMMON
1886
0
209
0
FS
11
44
CB1
210
0
CS
J5
PRINTED CIRCUIT BOARD
CONTROLLER
J4
18171615141312109 1186 7
CB1 - CIRCUIT BREAKER, MAIN OUTPUT
IM_ - IGNITION MODULE
HTO - HIGH TEMPERATURE SWITCH
FS - FUEL SOLENOID
LEGEND
SCR - STARTER CONTROL RELAY
SC - STARTER CONTACTOR
CS - CHOKE SOLENOID
SM - STARTER MOTOR
BA - BRUSH ASSEMBLY
SP_ - SPARK PLUG
POWER
ACCESSORY
120 VAC
OUTPUT
TRANSFER
+ BATTERY
23
194
ALARM
21 43 5 2322212019
90
0 13
817
818
819
85
820
14
14
14
210
LOP
0
86
56 194
J1
J1
209 23
141312109 1186 721 43 5
N1
T1
00 2
N2
44
11
0
4
6
T1
N2
N1
T1
N2
N1
6
4
44
11
00
6
4
0
11
44
11 44
SEE TABLE FOR PINOUT
C1
WINDING
EXCITATION
ROTOR
6
4
0
0
2
6
4
11 44
DIODE
FIELD BOOST
0
56
56
56
4
16
13
SCR
SM
SC
13 13
0
0
1K78
CB2 - CIRCUIT BREAKER, GFCI
1
2
3
4
LED BOARD
L1
L2
L3
86
00
NEUTRAL
22
33
CB2
11
MOV
WHT00
T1A
LOP - LOW OIL PRESSURE SWITCH
MOV - VARISTOR
LOAD SUPPLY
120 VAC
0
2
6
4
6
4
3
5 2 1
PIN #
C1
0
2
6
4
11 44
1
11 44 2
6
6
4
3
5 2 1
2
6 11 44
1
11 44
PIN #
C1
0 4
0 4
TABLE FOR C1 WIRING OPTIONS
L1: GREEN = SYSTEM READY
L2: YELLOW = MAINTENANCE REQ'D
L3: RED = ALARM
Electrical Schematic – Drawing 0H7570-B
ELECTRICAL DATA
PART 7

Table of Contents

Other manuals for Generac Power Systems 7 kW NG

Related product manuals