EasyManua.ls Logo

GSK DA98B - 6.2.1 Sequence of power on for servo unit

Default Icon
88 pages
Print Icon
To Next Page IconTo Next Page
To Next Page IconTo Next Page
To Previous Page IconTo Previous Page
To Previous Page IconTo Previous Page
Loading...
GSK CNC Equipment Co., Ltd.
44
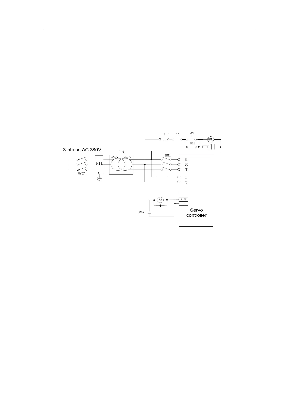
6.2.1 Sequence of power on for servo unit
The connection of power supply is shown as Fig.6.1, switch on the power by
following steps:
1) Put the power supply to the power input terminals of main circuit ( 3-phase to R,
S, T respectively, single phase to R,S) by electromagnetic contactor
NFB
MC.
2) The r, t terminals of control circuit should be switched on prior to the main circuit
power (or with it simultaneously without MC), then switch on the main circuit
manually. The cut-off function of main power for alarm is attached to the circuit.
Fig.6.1 Power supply wiring
3) If servo on (SON) is ON after the connection of the control power with the main
circuit power, the motor is activated and the system is on running. If servo on
signal is switched off or alarming occurs, the base electrode circuit closes and
the motor is in a free state.
a) If servo on (SON) is switched on with power supply, the motor is activated
in about 100 ms.
b) Frequent switching on or off the power supply may damage the soft start
circuit and energy hold circuit. The frequency limit for switching on or off
should be 5 times per hour or 30 times per day. If the servo unit or motor is
overheated, only by cooling of 30 minutes after the fault is exterminated,
can the power supply be switched on again.
4) Sequence for power switch on

Table of Contents

Related product manuals