EasyManua.ls Logo

GSK DA98B - 3.2 Interior diagram block of servo unit; 3.3 Wiring

Default Icon
88 pages
Print Icon
To Next Page IconTo Next Page
To Next Page IconTo Next Page
To Previous Page IconTo Previous Page
To Previous Page IconTo Previous Page
Loading...
Chapter 3 System configuration and assembly
11
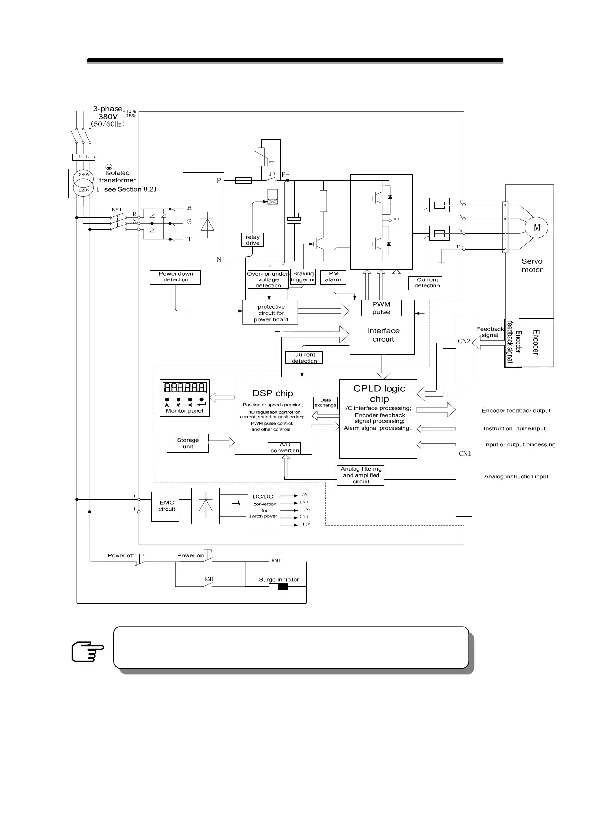
3.2 Interior diagram block of servo unit
Fig. 3.1 Interior diagram block for DA98B servo unit
3.3 Wiring
There are several control modes for DA98B: orientation control mode, speed control
mode etc. Personnel who take up the wiring and checking should be qualified for
Control board diagram block inside the broken line and power supply board
diagram block outside the broken line above.

Table of Contents

Related product manuals