EasyManua.ls Logo

Honda Electronics HE-6801 - Connecting Diagram

Honda Electronics HE-6801
108 pages
Print Icon
To Next Page IconTo Next Page
To Next Page IconTo Next Page
To Previous Page IconTo Previous Page
To Previous Page IconTo Previous Page
Loading...
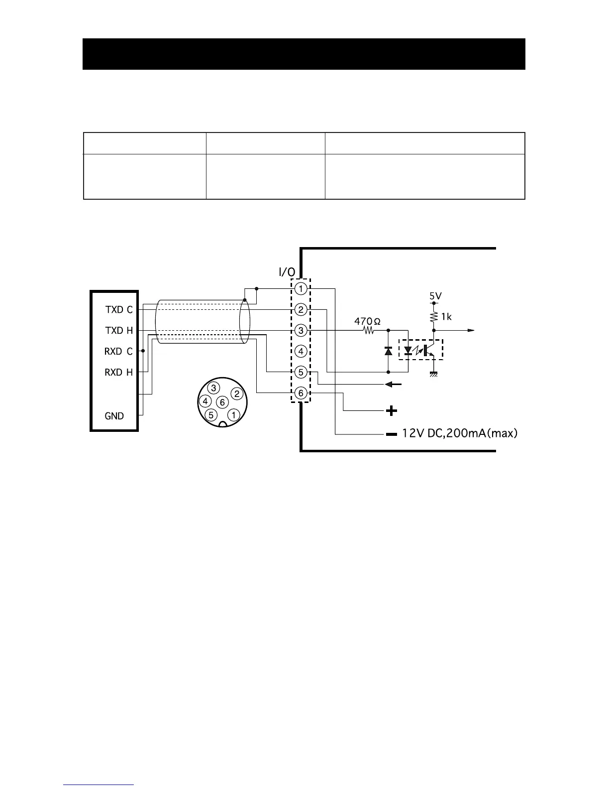
CONNECTING DIAGRAM
84
Connector for Input/Output
It is used for connecting external GPS receiver or differential beacon receiver.
GPS Receiver
or
Differential
Beacon Receiver
Connector for
Input/Output
Main Unit
Data Output
Power Supply for
External Equipment
DC Power
Supply

 
NMEA0183
(GGAGLLVTG)
4800 bps
Start bit=1, Data bit=8
Parity bit=nil, Stop bit=1

Table of Contents