EasyManua.ls Logo

Huawei SUN2000 MAP0 Series - Page 24

Huawei SUN2000 MAP0 Series
162 pages
Print Icon
To Next Page IconTo Next Page
To Next Page IconTo Next Page
To Previous Page IconTo Previous Page
To Previous Page IconTo Previous Page
Loading...
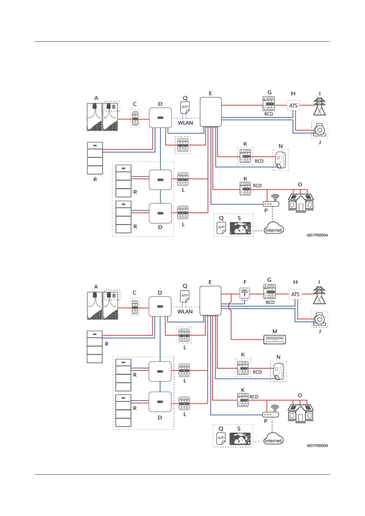
SmartGuard Networking
Figure 2-4 Networking with all loads connected to the SmartGuard (dashed boxes
indicate optional components)
Figure 2-5 Networking with some of loads connected to the SmartGuard (dashed
boxes indicate optional components)
SUN2000-(5K-12K)-MAP0 Series
User Manual 2 Overview
Issue 01 (2024-05-13) Copyright © Huawei Digital Power Technologies Co., Ltd. 17

Table of Contents

Related product manuals