EasyManua.ls Logo

Huawei SUN2000 MAP0 Series - Preparing Cables

Huawei SUN2000 MAP0 Series
162 pages
Print Icon
To Next Page IconTo Next Page
To Next Page IconTo Next Page
To Previous Page IconTo Previous Page
To Previous Page IconTo Previous Page
Loading...
CA UTION
Stay away from the equipment when preparing cables to prevent cable scraps
from entering the equipment. Cable scraps may cause sparks and result in
personal injury and equipment damage.
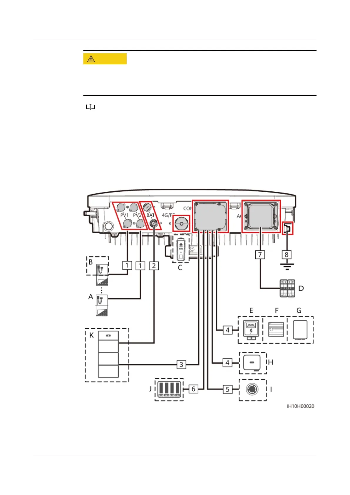
NO TE
The cable colors shown in the electrical connection diagrams provided in this section are for
reference only. Select cables in accordance with local cable specications (green-and-yellow
cables are only used for protective earthing).
5.2 Preparing Cables
Figure 5-1 Inverter cable connections (the components in dashed boxes are
optional)
SUN2000-(5K-12K)-MAP0 Series
User Manual 5 Electrical Connections
Issue 01 (2024-05-13) Copyright © Huawei Digital Power Technologies Co., Ltd. 40

Table of Contents

Related product manuals