EasyManua.ls Logo

Huawei SUN2000 MAP0 Series - Clearance Requirements

Huawei SUN2000 MAP0 Series
162 pages
Print Icon
To Next Page IconTo Next Page
To Next Page IconTo Next Page
To Previous Page IconTo Previous Page
To Previous Page IconTo Previous Page
Loading...
vary with weather conditions (such as typhoons and monsoons) or terrains
(such as dams and hills).
Install the inverter in a well-ventilated environment to ensure good heat
dissipation.
You are advised to install the inverter in a sheltered area or install an awning
over it.
Mounting Structure Requirements
The mounting structure where the device is installed must be re resistant.
Do not install the inverter on ammable building materials.
The inverter is heavy. Ensure that the installation surface is solid enough to
bear the inverter weight.
In residential areas, do not install the inverter on a drywall or wall made of
similar materials which have a weak sound insulation performance because
the inverter generates noise during operation.
4.2.2 Clearance Requirements
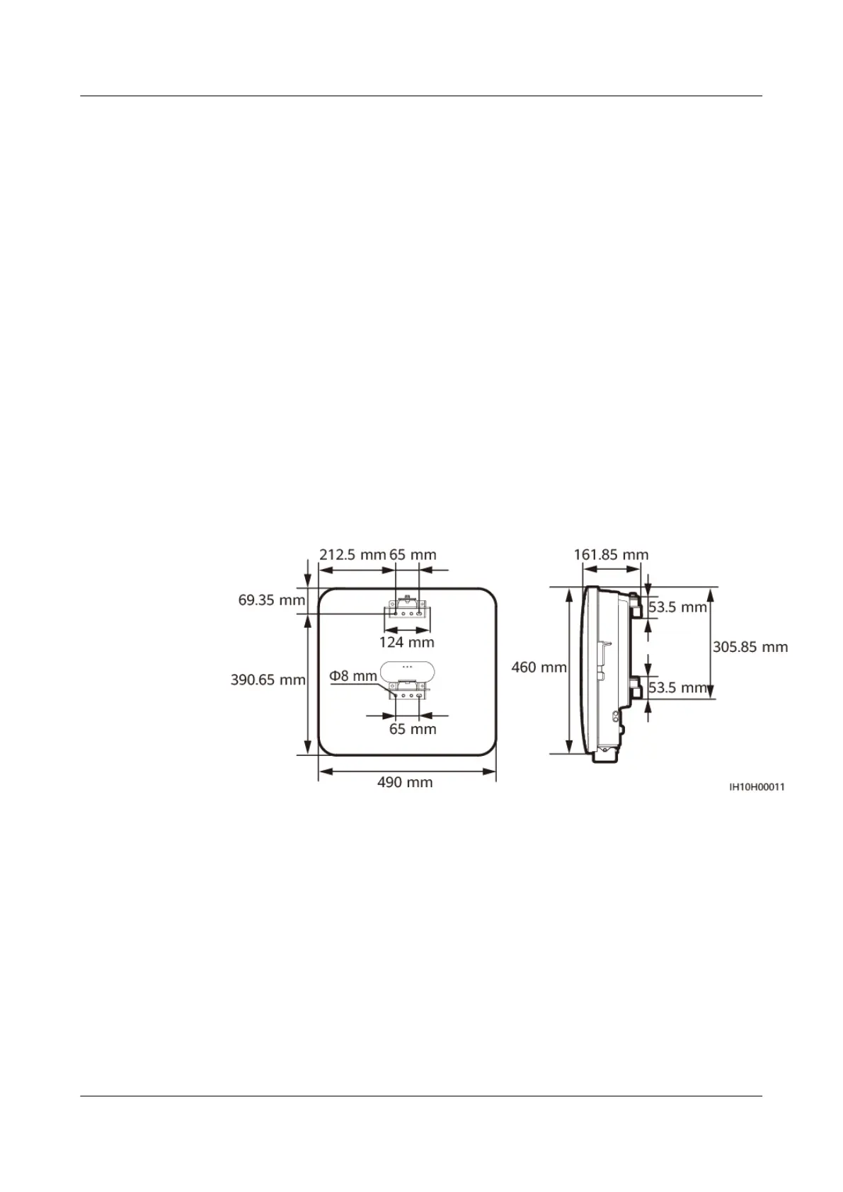
Dimensions of the inverter and mounting holes
Figure 4-1 Dimensions of the inverter and mounting brackets
Reserve enough clearances around the inverter to ensure sucient space for
installation and heat dissipation.
SUN2000-(5K-12K)-MAP0 Series
User Manual 4 Installation
Issue 01 (2024-05-13) Copyright © Huawei Digital Power Technologies Co., Ltd. 28

Table of Contents

Related product manuals