EasyManua.ls Logo

IFM OGD582 - Menu Structure for Hysteresis Function

IFM OGD582
31 pages
Print Icon
To Next Page IconTo Next Page
To Next Page IconTo Next Page
To Previous Page IconTo Previous Page
To Previous Page IconTo Previous Page
Loading...
13
UK
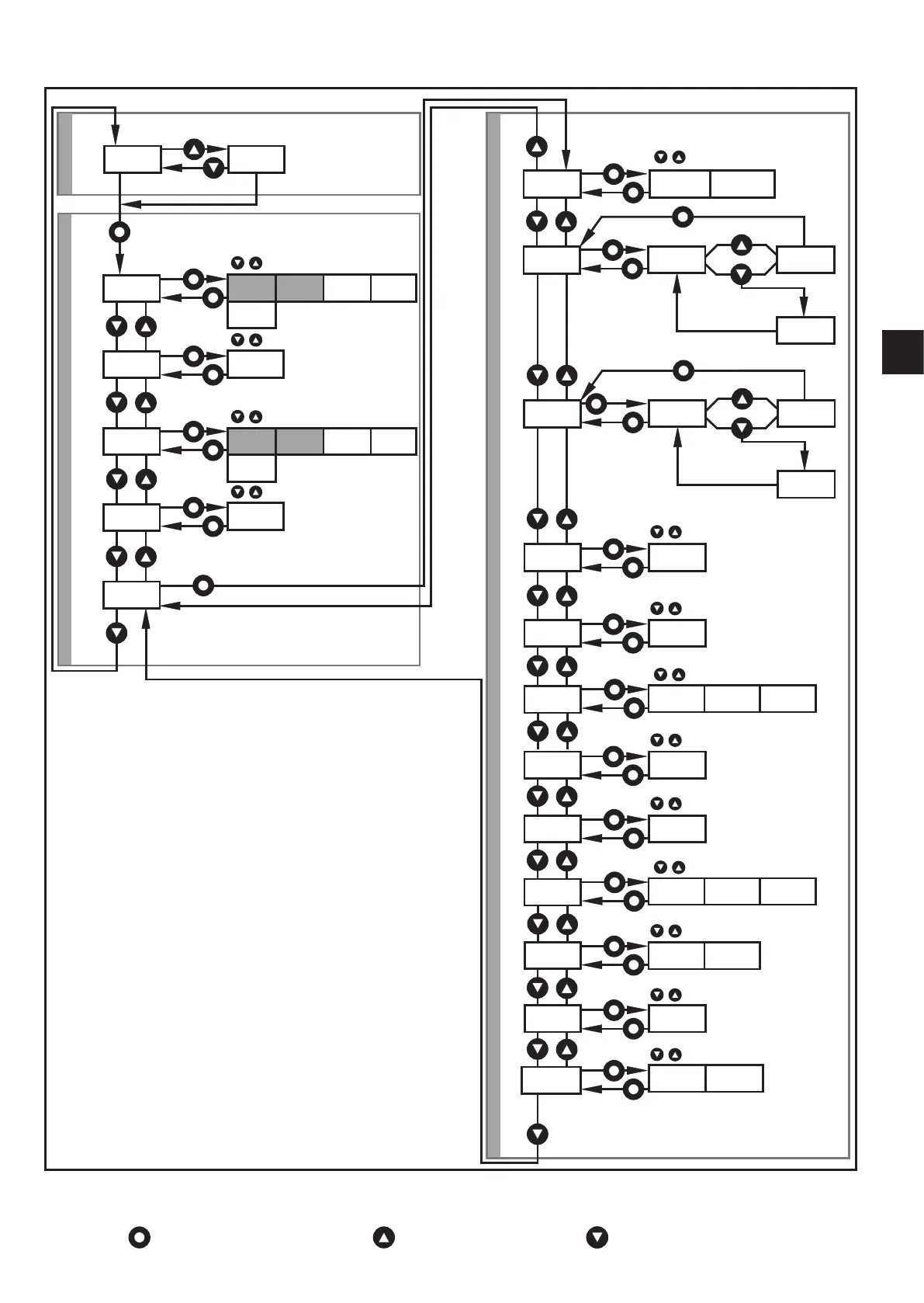
8.2 Menu structure for hysteresis function
*
*
*
*
*
*
*
*
*
*
*
*
120
ou1
ou2
0ff
0ff
fncfno
fncfno
re5 re ---
5P1
5P2
22.5
22.5 33.5
22
22 33
err
t51
err
EF
200
t52
d51 0.0
0.0
0.0
0.0
dr1
d52
dr2
dfo 0.1
xyl
01
2
lo xi
*
di5
0n 0ff
l62
*
0ff and 0r
l61
*
0ff and 0r
xno xnc
xno xnc
= [ENTER] = "Up" button
= "Down" button
*) Keep the arrow key (up or down) pressed for 3 s for activation�
Then press the key several times or keep it pressed for fast
scrolling�

Table of Contents

Related product manuals