EasyManua.ls Logo

Imaje S8 Classic - Ink Circuit: S8 Classic (with Condenser Option)

Default Icon
142 pages
Print Icon
To Next Page IconTo Next Page
To Next Page IconTo Next Page
To Previous Page IconTo Previous Page
To Previous Page IconTo Previous Page
Loading...
8 A20733 B0
Presentation
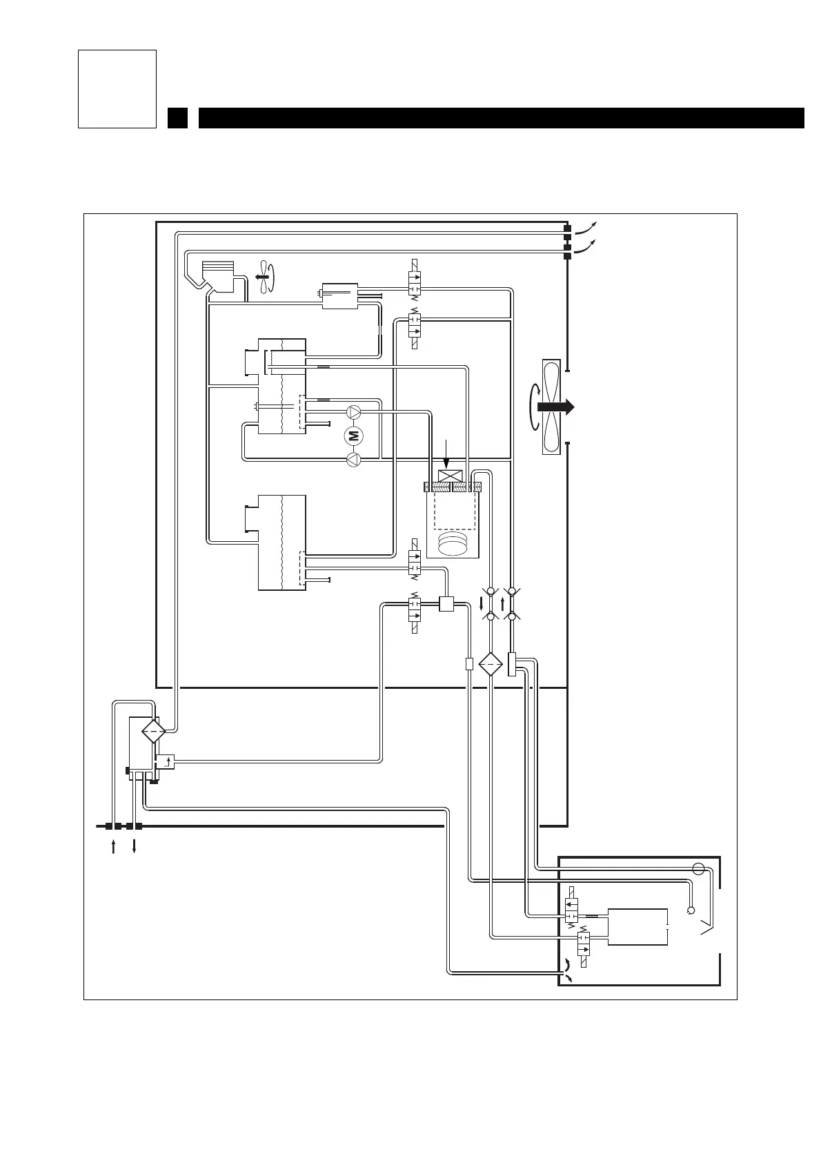
1.5 Ink circuit: S8 Classic (with condenser option)
1
2
3
6
5
4
23
22
24
25
26
19
20
21
13
14
15
16
10 11
17
18
12
9
87
1- Air network
2- Outlet for head drying kit
3- Head pressurization outlet
4- Air filter
5- Permanent filter drain
6- Regulated 4 bar outlet
7- Additive tank
8- Ink tank
9- Condenser with fan
10-Vacuum pump
11-Pressure pump
12-Viscometer
13-Nozzle rinsing electrovalve
14-Antipulse
15-Ink filter
16-Pressure / temperature sensor
17-Additive addition electrovalve
18-Viscometer electrovalve
19-Head filter
20-Self-blocking unions
21-Ventilation
22-Pressure electrovalve
23-Drain electrovalve
24-Cannon
25-Recuperation gutter
26-Nozzle rinse spray
Print head

Table of Contents

Related product manuals