EasyManua.ls Logo

Inovance MD300 - Connection with Dry Contact Sharing the Positive Pole; Source Electrode Connection

Inovance MD300
204 pages
To Next Page IconTo Next Page
To Next Page IconTo Next Page
To Previous Page IconTo Previous Page
To Previous Page IconTo Previous Page
Loading...
MD320/MD320N User Manual Mechanical and Electric Installation
57
Inve rter Control Boa rd
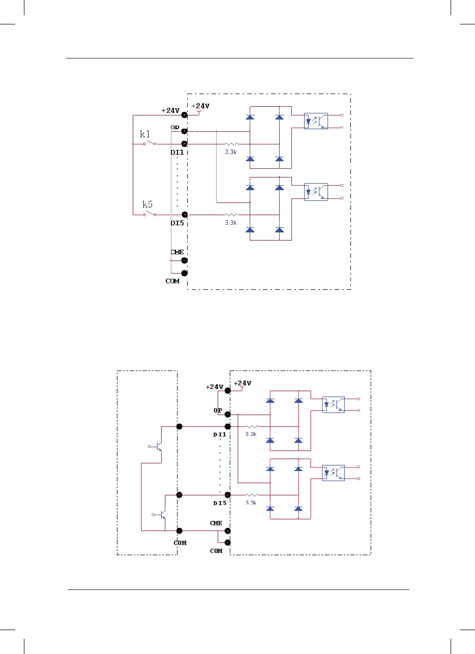
Fig.3-12 Connection with dry contact sharing the positive pole
In this connection mode, it must remove the short circuit copper bar between +24V and OP
and then connect OP with CME. If external power supply is used, it must also remove the short
circuit copper bar between CME and COM.
3. Source Electrode Connection
Exte rna l
Controller
Inve rter Control
Boa rd
Fig.3-13 Source Electrode Connection
2. Connection with dry contact sharing the positive pole
Inverter Control Board
Inverter Control Board

Table of Contents

Related product manuals