EasyManua.ls Logo

Joyner TROOPER-T2 - Chassis Wiring Diagram

Joyner TROOPER-T2
225 pages
Print Icon
To Next Page IconTo Next Page
To Next Page IconTo Next Page
To Previous Page IconTo Previous Page
To Previous Page IconTo Previous Page
Loading...
64
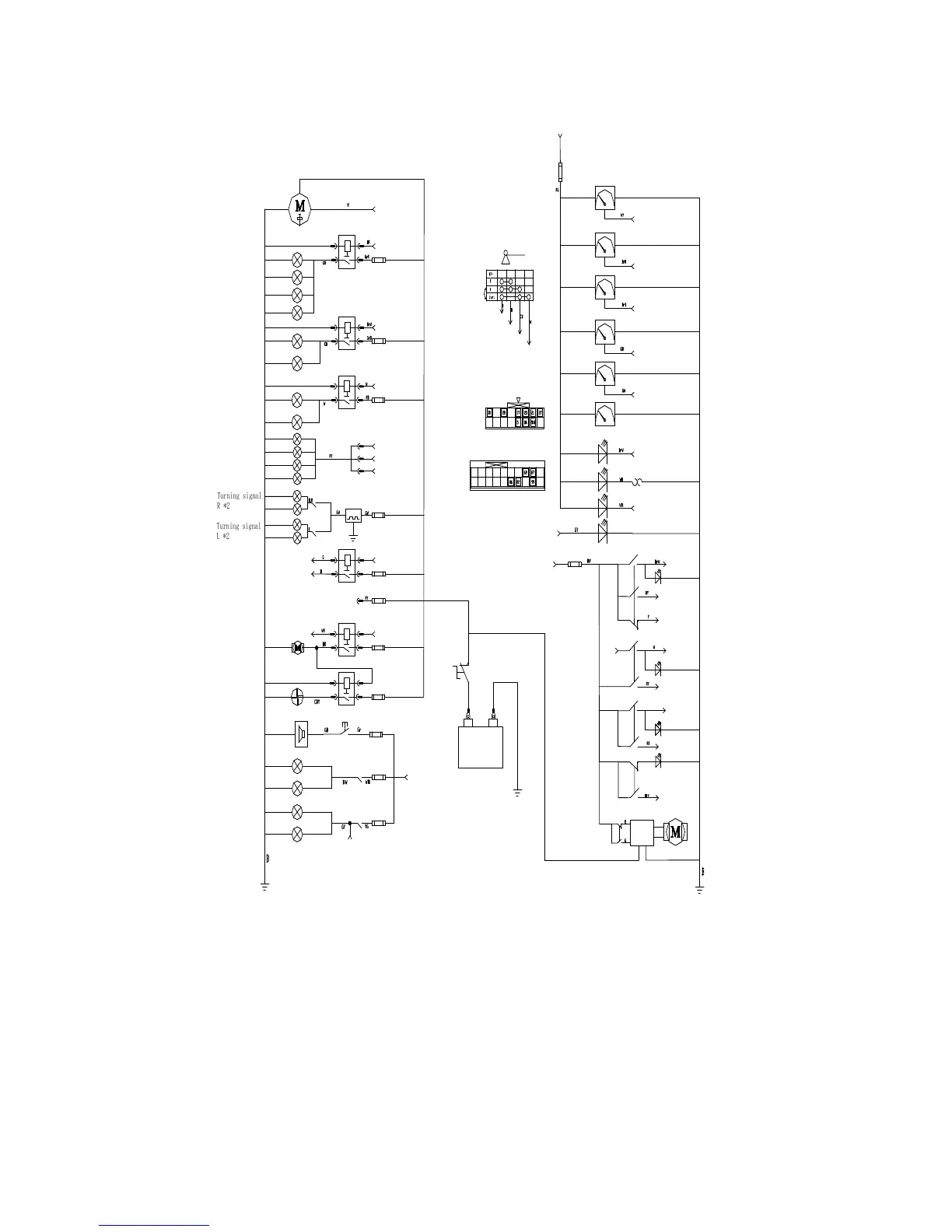
Chassis wiring diagram
High beam switch 1
High beam R
High beam L
Far beam relay
F
u
s
e
7
.
5
A
Dipping switch 1
dipped beam R
Dipped beam relay
Fuse 7.5A
dipped beam L
Clearance lamp
side light *4
Dipping switch 2
High beam switch 2
T
u
r
n
i
n
g
s
i
g
n
a
l
R
*
2
T
u
r
n
i
n
g
s
i
g
n
a
l
L
*
2
Turn signal
switch
s
c
i
n
t
i
l
l
a
t
o
r
Fuse 5A
Spot relay
F
u
s
e
1
5
A
Spot switch 1
spot light*4
G
Fuse 15A
F
u
e
l
p
u
m
p
r
e
l
a
y
F
u
e
l
p
u
m
p
Fuse 15A
F
a
n
r
e
l
a
y
C
o
o
l
i
n
g
f
a
n
Fuse 20A
M
a
i
n
r
e
l
a
y
P
o
w
e
r
f
o
r
E
C
U
Body wiring conn 67
Body wiring conn 82
Body wiring conn 69
Body wiring conn 82
Ignition switc
h
Battery
ST
IGN 1
IGN 2
F
u
s
e
7
.
5
A
S
p
e
e
d
m
e
t
e
r
T
a
c
h
o
m
e
t
e
r
F
u
e
l
m
e
t
e
r
O
i
l
p
r
e
s
s
u
r
e
g
u
a
g
e
S
p
e
e
d
s
e
n
s
o
r
W
a
t
e
r
t
e
m
p
e
r
a
u
t
e
r
m
e
t
e
r
V
o
l
t
a
g
e
m
e
t
e
r
I/p wiring conn 21
Fuelsensor
oil pressure switch
oil pressure
sensor
Body wiring conn 30
oil pressure
warning
water temperatuer
warning
Charge indicator
Body wiring conn 28
water temperture Swich
Reverserwarning
F
u
s
e
5
A
High beam
switch
Spot light switch 1
Dipping beam
switch
Spot light
switch
Brakes light R
Brakes light L
Fuse 5A
Brakes light switch
Fuse 5A
Horn button
Horn
button
+
-
Master switch
Spot light signal
IGN 1
Battery
IGN 1
Start motor
ST
4WD
Convertor
switch
Convertor
Capstan switch
Capstan
relay
Reverse light R
Reverse light L
Fuse 5A
Reverse light switch
Body wiring conn
I/p wiring conn
I/p wiring conn 23
I/p wiring conn 27
Spot light switch 2
Spot light switch 2
High beam
switch
Dipping switch 2
High beam switch 1
High beam switch 2
Dipping switch 1
High beam indication
Dipping beam signal
High beam switch 3
High beam switch 3
ING 2
IGN 2
Wire's colour symbol
B---black R---red BL---blue W---white Y---yellow V---Violet G---Green Br---brown K---pink OR---Orange Gr---Grey CB---Cambridge blue
RB---red/black BrB---brown/ Black GY---green/yellow BR---black/red WG---white/green GB---green/black WR---white/red BW---black/white
YG---yellow/green
GND
Reverse light switch 1
Reverse light switch 1
Fuse 20A
Body wiring conn 99

Table of Contents

Related product manuals