EasyManua.ls Logo

Keithley 6482 - Bus Lines; Data Lines

Keithley 6482
350 pages
Print Icon
To Next Page IconTo Next Page
To Next Page IconTo Next Page
To Previous Page IconTo Previous Page
To Previous Page IconTo Previous Page
Loading...
C-4 Return to Section Topics 6482-901-01 Rev. A / August 2012
Appendix C: IEEE-488 Bus Overview Model 6482 Dual-Channel Picoammeter / Voltage Source Reference Manual
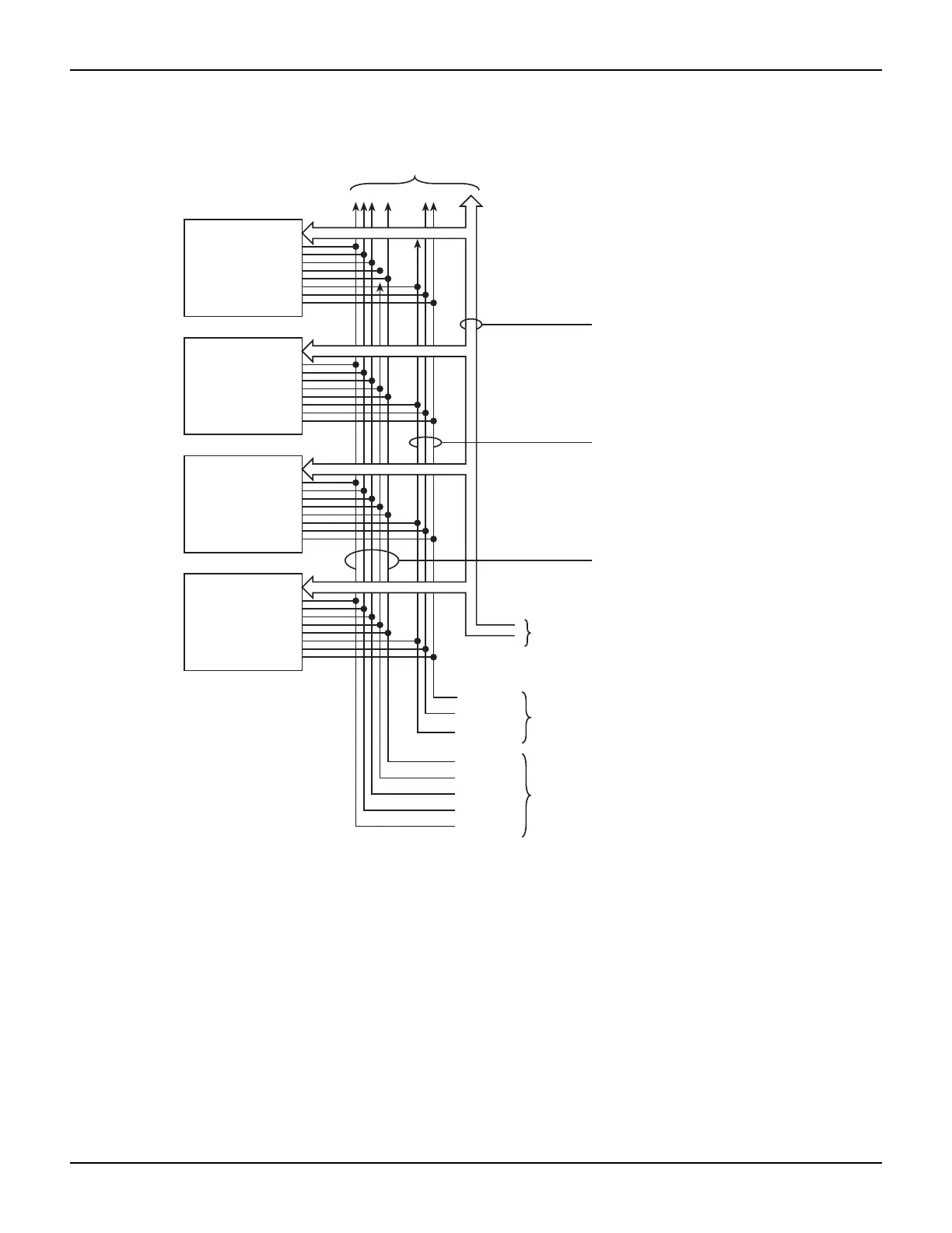
Figure C-1
IEEE-488 bus configuration
Bus lines
The signal lines on the IEEE-488 bus are grouped into three different categories: data lines,
management lines, and handshake lines. The data lines handle bus data and commands, while
the management and handshake lines ensure that proper data transfer and operation takes place.
Each bus line is active low, with approximately zero volts representing a logic 1 (true). The
following paragraphs describe the operation of these lines.
Data lines
The IEEE-488 bus uses eight data lines that transfer data one byte at a time. DIO1 (Data Input/
Output) through DIO8 (Data Input/Output) are the eight data lines used to transmit both data and
multiline commands and are bidirectional. The data lines operate with low true logic.
NRFD
NDAC
SRQ
REN
Data Bus
General
Interface
Management
DIO 1–8 Data
(8 Lines)
Handshake
Bus
Management
To Other Devices
Device 1
Able to Talk,
Listen, and
Control
(Computer)
Device 2
Able to
Talk and Listen
(6482)
Device 3
Only Able
to Listen
(Printer)
Device 4
Only Able
to Talk
Data Byte
Transfer
Control
DAV
IFC
ATN
EOI

Table of Contents

Related product manuals