EasyManua.ls Logo

Keithley 6482 - Analog Output Connections; Nonisolated Connections

Keithley 6482
350 pages
Print Icon
To Next Page IconTo Next Page
To Next Page IconTo Next Page
To Previous Page IconTo Previous Page
To Previous Page IconTo Previous Page
Loading...
2-8 Return to Section Topics 6482-901-01 Rev. A / August 2012
Section 2: Connections Model 6482 Dual-Channel Picoammeter / Voltage Source Reference Manual
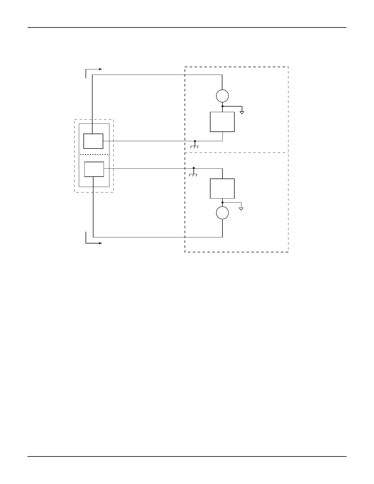
Figure 2-6
Ground connect mode equivalent circuit
Analog output connections
WARNING Analog output low can float up to ±30 V. Use care to avoid a shock hazard
when using the analog outputs.
For connector location, refer to “Input and output connectors” on page 2-2; for terminal
information, refer to “Connector terminals” on page 2-3.
Nonisolated connections
Figure 2-7 shows typical nonisolated analog output connections. Note that analog output HI
(center conductor) is connected to INPUT HI of the measurement instrument and analog output
LO (inner shield) is connected to INPUT LO.

Table of Contents

Related product manuals