EasyManua.ls Logo

KEM TRICOR TCE80 -E Series - Connecting the Control Inputs and Outputs

KEM TRICOR TCE80 -E Series
98 pages
Print Icon
To Next Page IconTo Next Page
To Next Page IconTo Next Page
To Previous Page IconTo Previous Page
To Previous Page IconTo Previous Page
Loading...
Installation
37
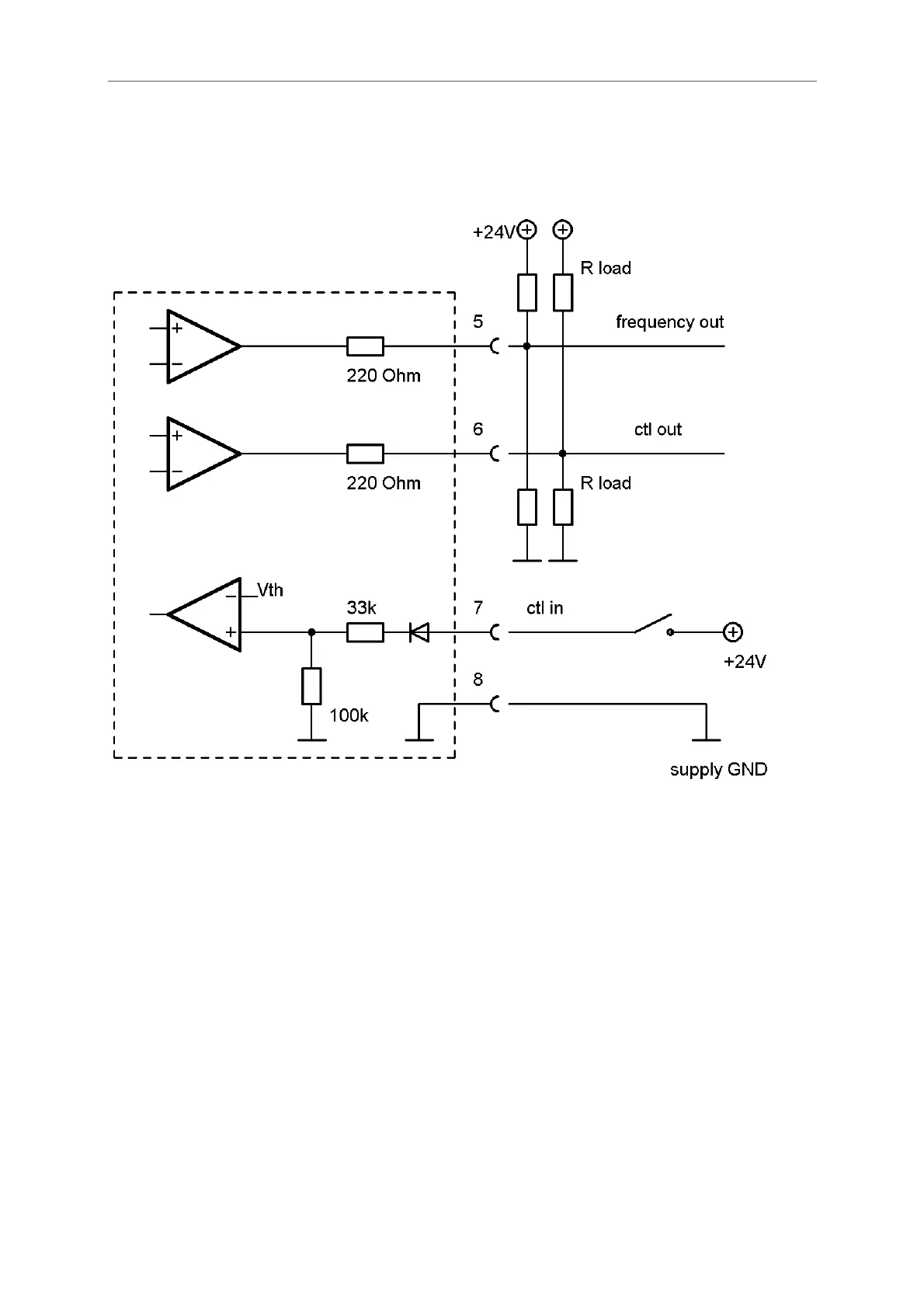
3.2.5 Connecting the control inputs and outputs
Fig. 18: Wiring diagram for digital I/O connections
Terminal Description
5 Frequency output, active, referred to pin 8
6 Status output, active, referred to pin 8
7 Control input, active high, referred to pin 8
8 Ground potential for digital I/O- pins.
The frequency and control outputs are active push-pull outputs with an output resistance of 220. They can be
loaded to the positive supply or to ground. For a high output swing the load resistors R
load
should not be lower
than 1k.
In case of a load resistor to ground the output voltages are:
V
high = Vsupply * R
load
/ (220 + R
load
)
V
low < 1V
In case of a load resistor to the positive supply the output voltages are:
V
high > Vsupply – 1V
V
low = Vsupply - Vsupply * R
load
/ (220 + R
load
)
TCE8000

Table of Contents

Related product manuals