EasyManua.ls Logo

Keysight U1252B - Page 293

Keysight U1252B
722 pages
Print Icon
To Next Page IconTo Next Page
To Next Page IconTo Next Page
To Previous Page IconTo Previous Page
To Previous Page IconTo Previous Page
Loading...
4 Modification de la configuration par défaut
112 Keysight U1251B et U1252B Guide d’utilisation et de maintenance
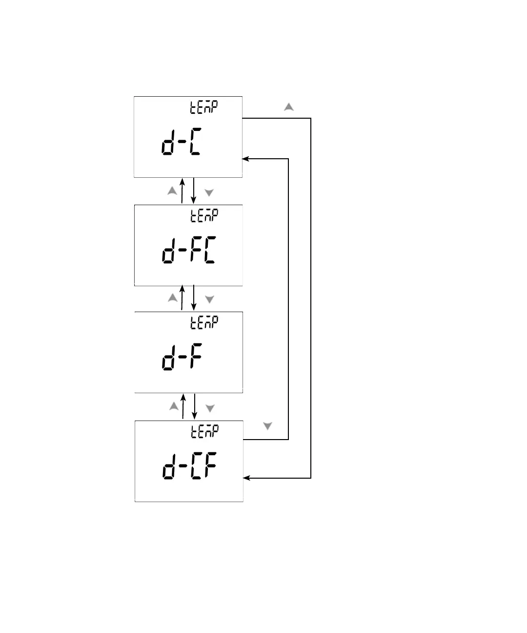
Figure 4-6 Configuration de l’unité de température
Appuyez sur
Appuyez sur
Appuyez
sur
Appuyez sur
Appuyez sur

Table of Contents

Related product manuals