EasyManua.ls Logo

Konica Minolta 7155 - ADU Conveyance Drive Section

Konica Minolta 7155
663 pages
Print Icon
To Next Page IconTo Next Page
To Next Page IconTo Next Page
To Previous Page IconTo Previous Page
To Previous Page IconTo Previous Page
Loading...
MAIN BODY
1-16
1 OUTLINE
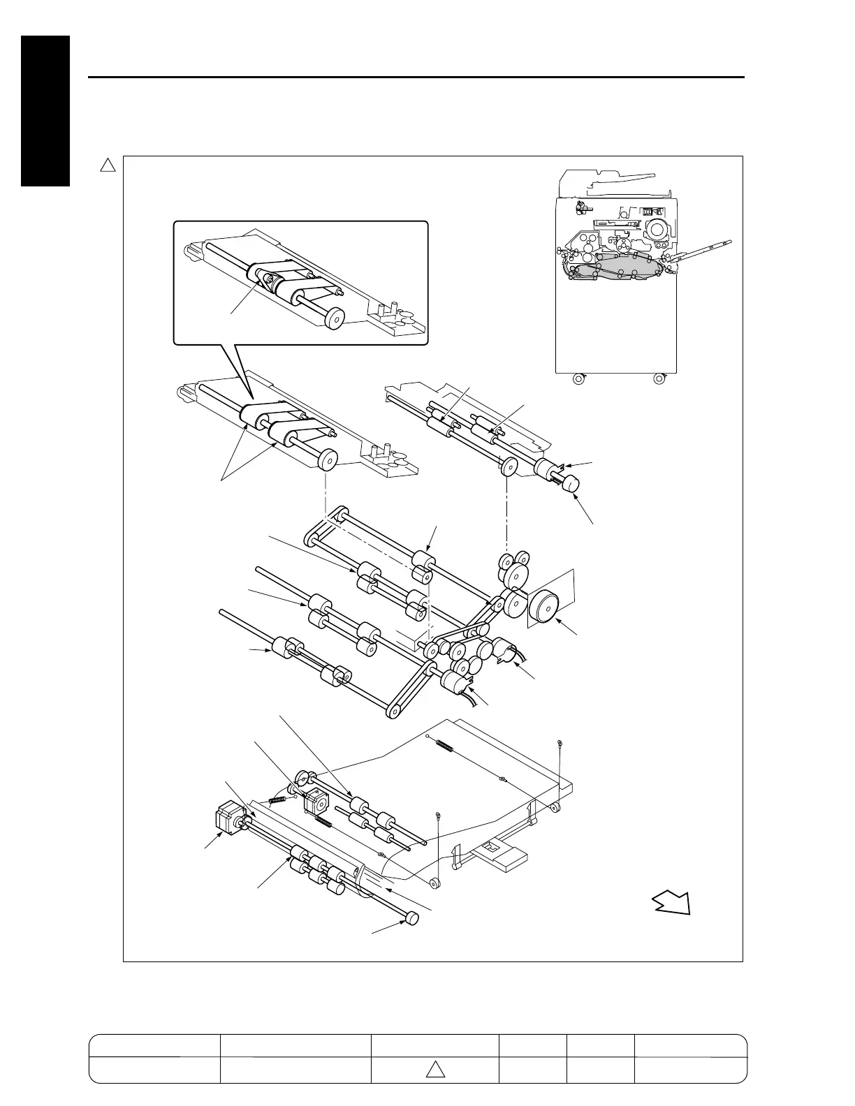
[7] ADU Conveyance Drive Section
7272ma1004
Pre-transfer roller
Registration roller
Conveyance belt
ADU conveyance roller/3
ADU conveyance roller/4
ADU conveyance
roller/2
ADU
conveyance roller/1
Conveyance motor (M5)
ADU deceleration MC (MC2)
ADU conveyance MC (MC13)
ADU gate
ADU reverse motor (M9)
Reverse/exit gate
Reverse/exit
motor (M8)
Reverse/exit roller
Reverse/exit roller knob
ADU reverse roller
FRONT
Registration MC (MC1)
Registration roller knob
7255/7272
Conveyance
support roller
4
MODEL MANUAL REVISED EDITION DATE PAGE METHOD
SERVICE MANUAL Dec. 2003
7155/7165/7255/7272
1-10 REPLACEMENT
4

Table of Contents

Related product manuals