EasyManua.ls Logo

Lenovo ThinkSystem SR530 - Electronic emission notices; Taiwan BSMI RoHS declaration; Taiwan import and export contact information

Lenovo ThinkSystem SR530
184 pages
To Next Page IconTo Next Page
To Next Page IconTo Next Page
To Previous Page IconTo Previous Page
To Previous Page IconTo Previous Page
Loading...
Electronic emission notices
When you attach a monitor to the equipment, you must use the designated monitor cable and any
interference suppression devices that are supplied with the monitor.
Additional electronic emissions notices are available at:
http://thinksystem.lenovofiles.com/help/index.jsp
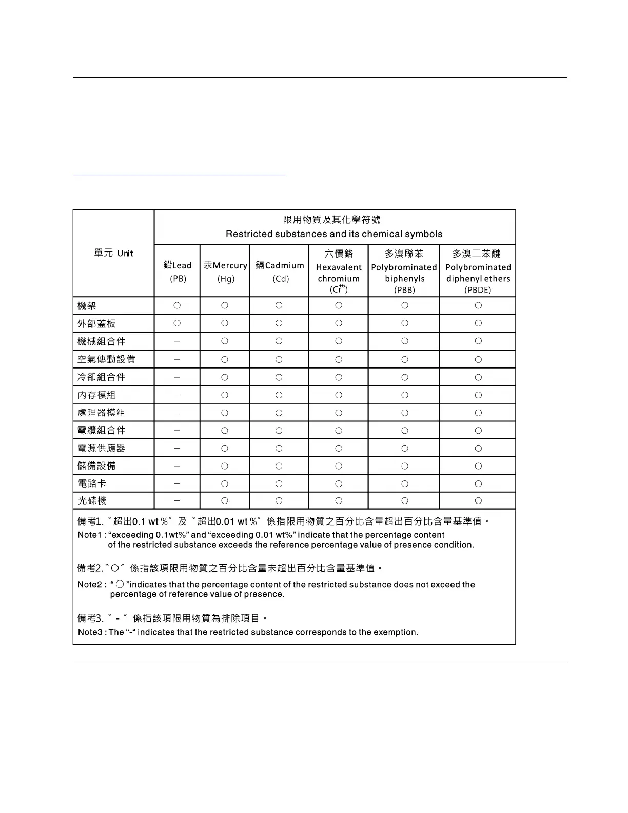
Taiwan BSMI RoHS declaration
Taiwan import and export contact information
Contacts are available for Taiwan import and export information.
Appendix B. Notices 169

Table of Contents

Related product manuals