EasyManua.ls Logo

Lenze EPM-T1 Series - Page 325

Lenze EPM-T1 Series
544 pages
To Next Page IconTo Next Page
To Next Page IconTo Next Page
To Previous Page IconTo Previous Page
To Previous Page IconTo Previous Page
Loading...
Parameterising 2/4xcounter module
Input data / output data
12
Parameter setting via system bus (CAN) / CANopen
12.4
12.4.2
L
12.4−5
EDSPM−TXXX−9.0−11/2009
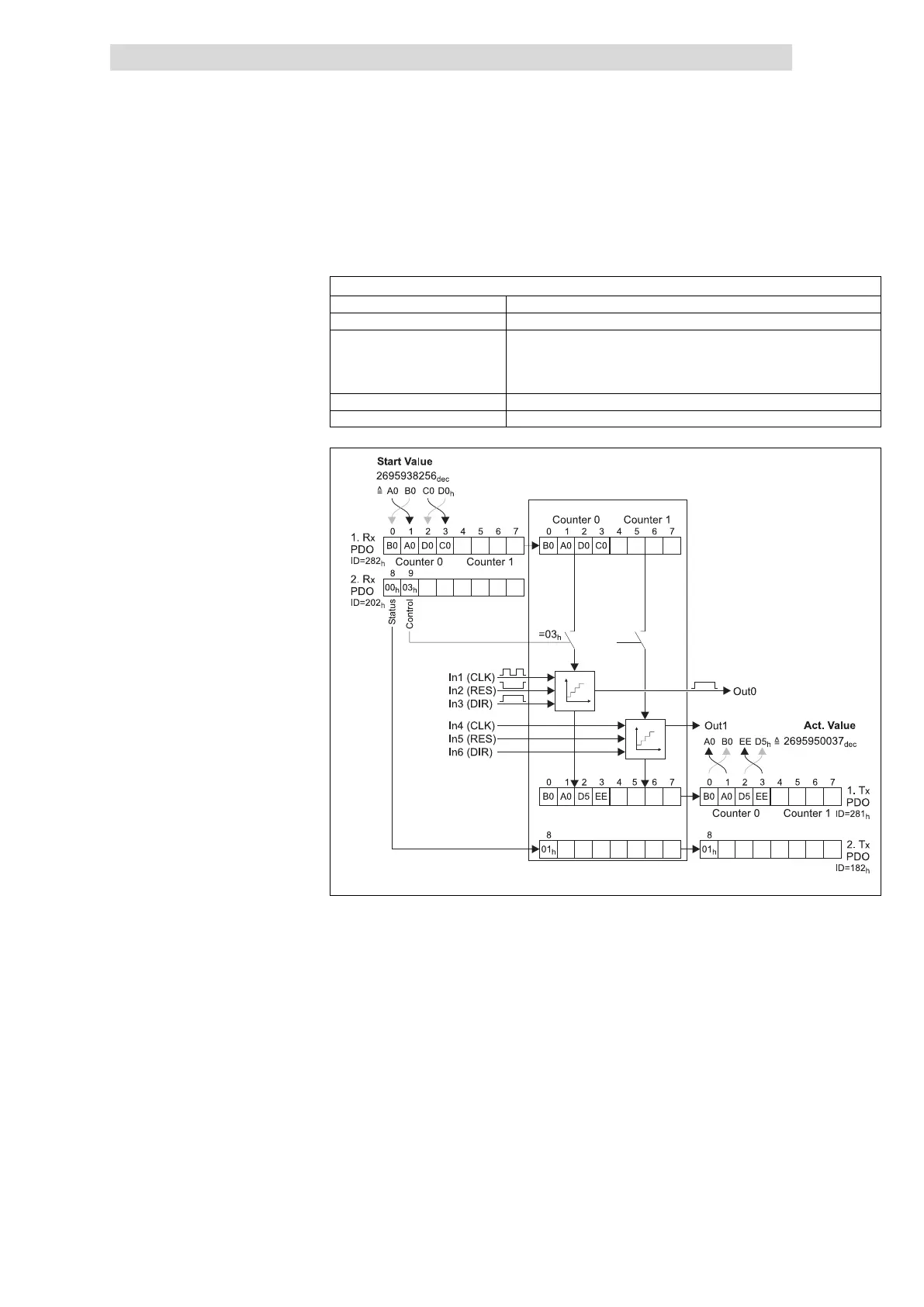
The counter 0 is to be set with the figure 26959382. To make the representation
simpler, the figure is given in a hexadecimal format.
Selection
Node address 2
Baud rate 500 kbaud
COB−ID Rx PDO 2 (I1401/1)
COB−ID Rx PDO 3 (I1402/1)
COB−ID Tx PDO 2 (I1801/1)
COB−ID Tx PDO 3 (I1802/1)
282
h
202
h
281
h
182
h
Event time (I1801/1) 64
h
Mode (I3001/1) 00
h
epm−t140
Fig. 12.4−3 Setting the counter content for the 2/4xcounter
1. Transmit the 1. Rx PDO with the counter setting value.
2. For accepting the counter setting value transmit the 2. Rx PDO:
Control byte = 30
h
.
3. The current count value is output via the 1. Tx PDO.
Example

Table of Contents

Related product manuals