EasyManua.ls Logo

Lenze EPM-T1 Series - Page 369

Lenze EPM-T1 Series
544 pages
To Next Page IconTo Next Page
To Next Page IconTo Next Page
To Previous Page IconTo Previous Page
To Previous Page IconTo Previous Page
Loading...
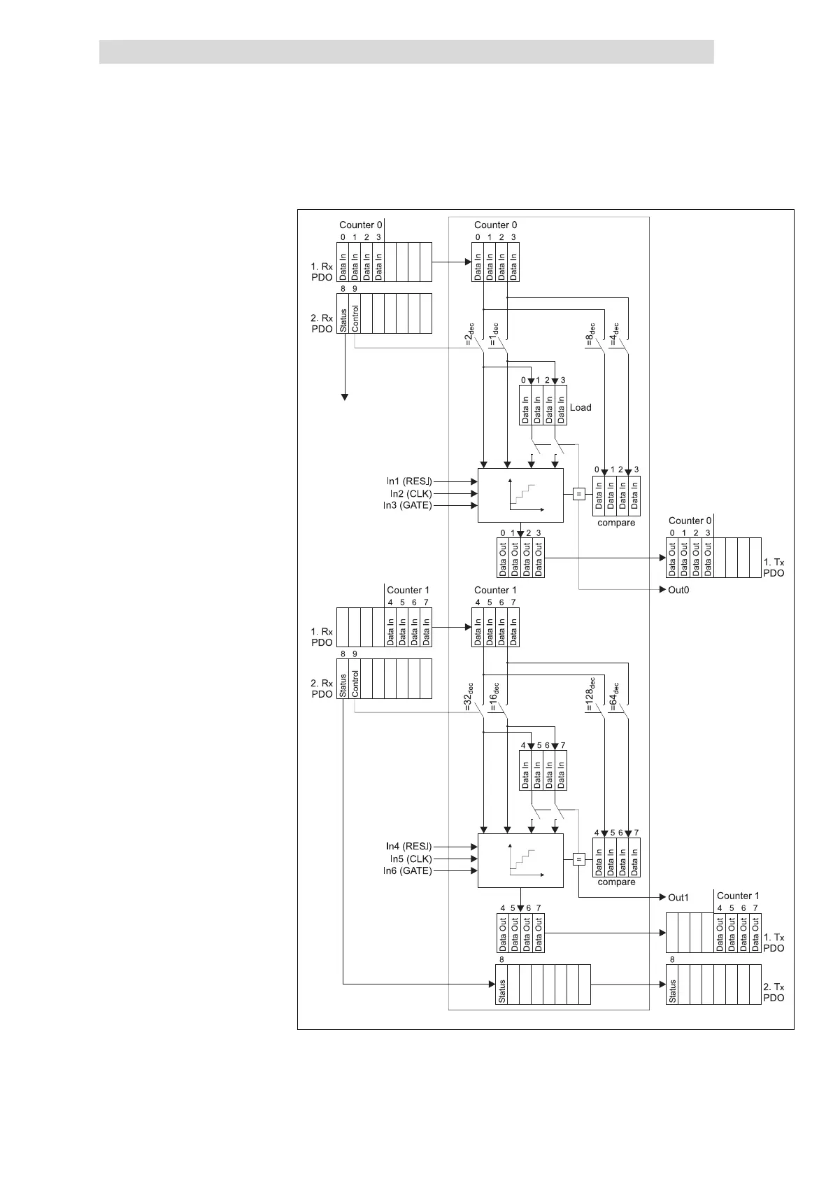
Parameterising 2/4xcounter module
2 × 32 bit counter with GATE, RES edge−triggered and auto reload (modes 33 and 34)
12
Parameter setting via system bus (CAN) / CANopen
12.4
12.4.17
L
12.4−49
EDSPM−TXXX−9.0−11/2009
epm−t158
Fig. 12.4−67 Counter access of the 2/4xcounter in the modes 33 and 34
Counter access

Table of Contents

Related product manuals