EasyManua.ls Logo

Lilin DVR308 - Chapter 1-2. Rear View

Lilin DVR308
59 pages
Print Icon
To Next Page IconTo Next Page
To Next Page IconTo Next Page
To Previous Page IconTo Previous Page
To Previous Page IconTo Previous Page
Loading...
DVR User Manual
9
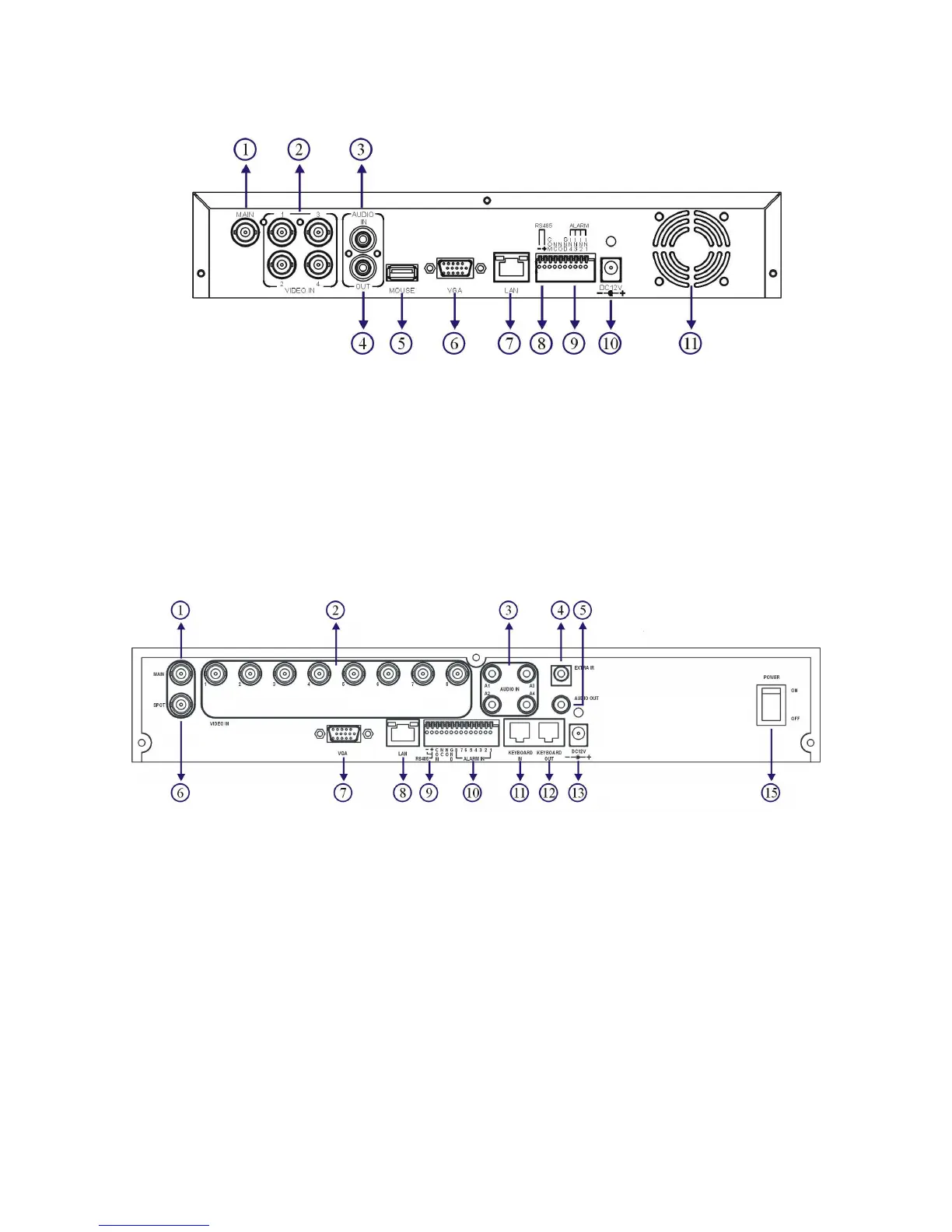
Chapter 1-2. Rear View
[DVR304]
1. Main monitor 7. Network RJ-45 connector
2. Camera inputs 8. RS-485
Analog camera BNC inputs For PTZ connection
3. Audio inputs 9. Alarm I/Os
Four RCA audio connectors Alarm input switches, 1 N/O alarm output,
4. Audio output and 1 N/C alarm output
5. USB connector 10. DC 12V input
For mouse connection 11. Fan
6. VGA output
[DVR308]
1. Main monitor 9. RS-485
2. Camera inputs For PTZ connection
Analog camera BNC inputs 10. Alarm I/Os
3. Audio inputs Alarm input switches, 1 N/O alarm output,
Four RCA audio connectors and 1 N/C alarm output
4. External IR receiver (RCA) 11. RJ-45 Keyboard-in
5. Audio output Connected from previous DVR’s
6. Spot monitor keyboard output in daisy chain.
a. Spot monitor accessible by keyboard. 12. RJ-45 Keyboard-out
b. Each spot output can be Connect to the next DVR’s input.
programmable for alarmed camera RJ-45 connector
display and sequence display. 13. DC 12V input
7. VGA output 15. Power switch
8. Network RJ-45 connector

Table of Contents

Related product manuals