EasyManua.ls Logo

Logan X90 - Fuel Supply; Petrol Supply Circuit

Logan X90
231 pages
Print Icon
To Next Page IconTo Next Page
To Next Page IconTo Next Page
To Previous Page IconTo Previous Page
To Previous Page IconTo Previous Page
Loading...
13A-1
FUEL SUPPLY
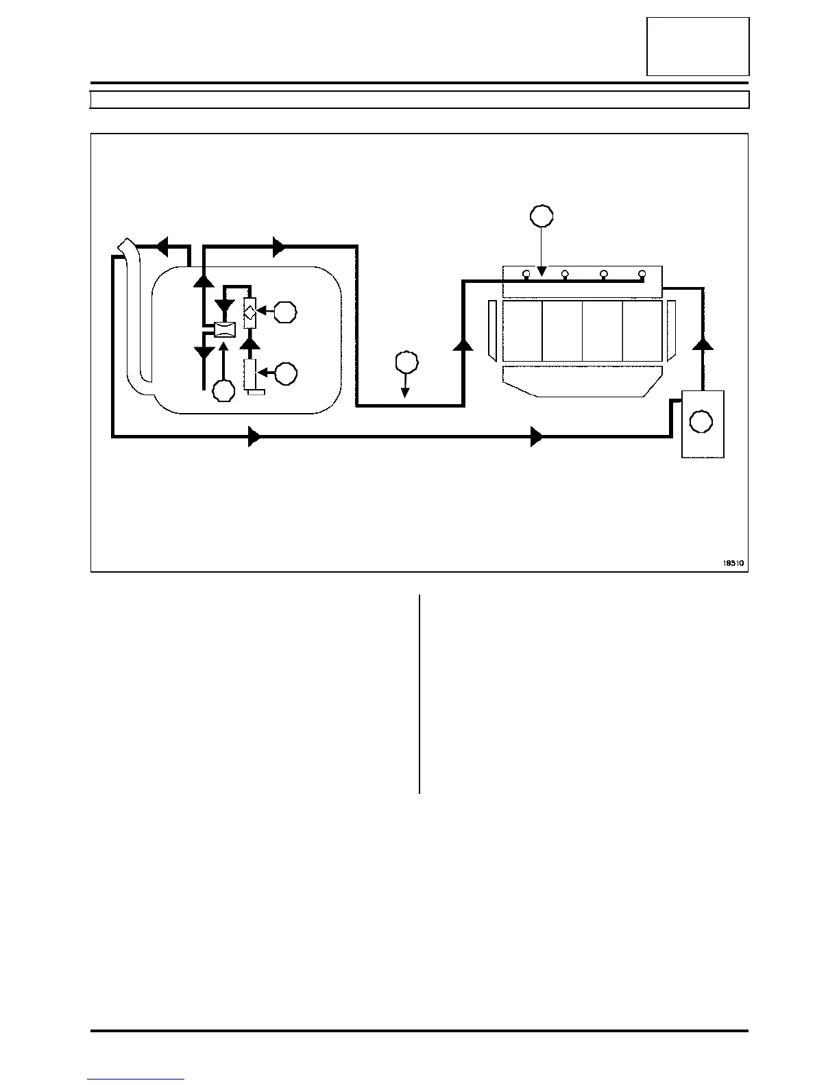
Petrol supply circuit
K7J, and 710 – K7M, and 710
13A
Operating diagram of the petrol supply circuit
The fuel system does not have a return.
The fuel pressure does not vary with engine load.
The circuit comprises:
-a petrol "pump-gauge-filter" supply unit fitted with a
fuel filter (1), a pump (2) and a pressure regulator (3)
(all located in the tank),
-a single pipe (4) coming from the tank,
-a rail (5) without a return pipe and without a supply
pressure regulator,
-a fuel vapour recirculation tank (6).
19310
3
4
5
6
2
1

Table of Contents