EasyManua.ls Logo

Manitou AETJ 43 - Hydraulic Components Location; Hydraulic Components of the Chassis - Location

Manitou AETJ 43
286 pages
Print Icon
To Next Page IconTo Next Page
To Next Page IconTo Next Page
To Previous Page IconTo Previous Page
To Previous Page IconTo Previous Page
Loading...
43
HYDRAULIC
70
547379EN
70 (08/03/2017)
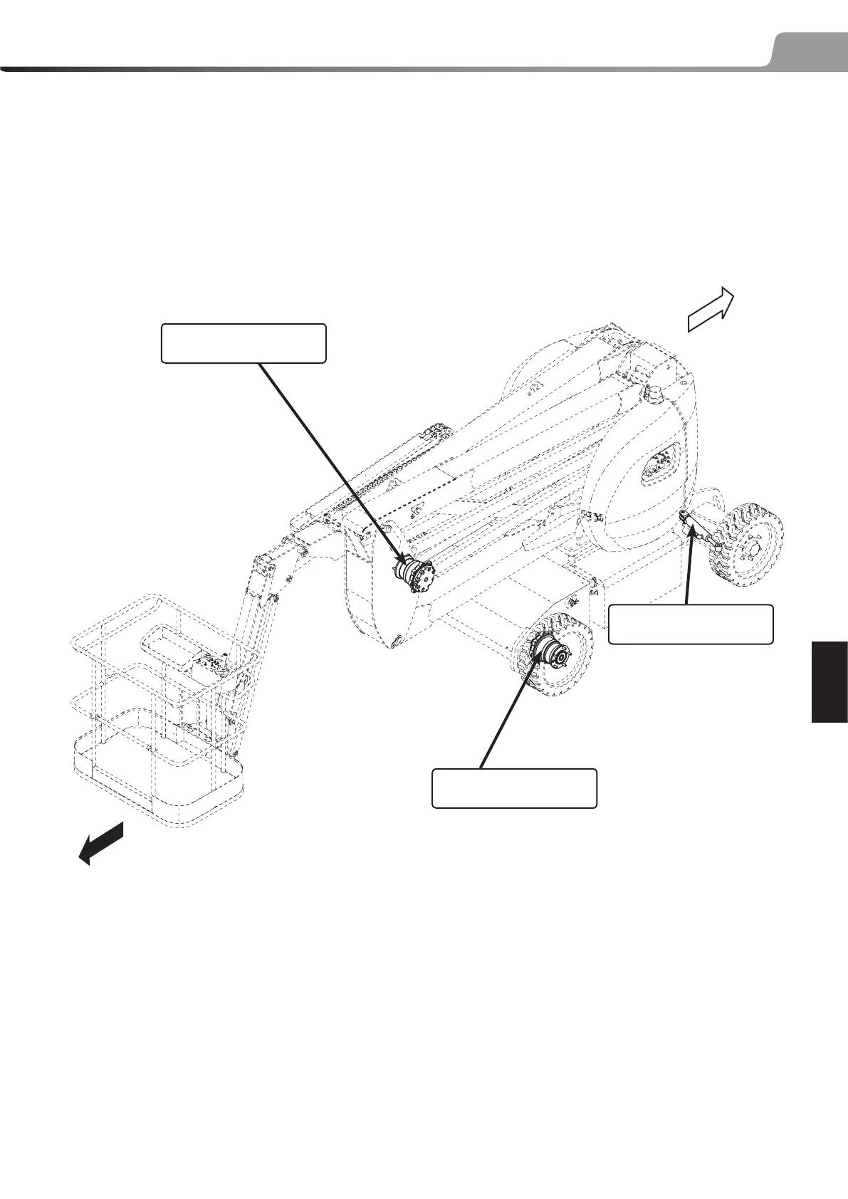
70.2 HYDRAULIC COMPONENTS LOCATION
70.2.1 HYDRAULIC COMPONENTS OF THE CHASSIS  LOCATION
Reducing gear/Brake
of left wheel
Reducing gear/Brake
of right wheel
Steering cylinder

Table of Contents

Related product manuals