EasyManua.ls Logo

Maxsys PC4020 - Page 69

Maxsys PC4020
84 pages
Print Icon
To Next Page IconTo Next Page
To Next Page IconTo Next Page
To Previous Page IconTo Previous Page
To Previous Page IconTo Previous Page
Loading...
64
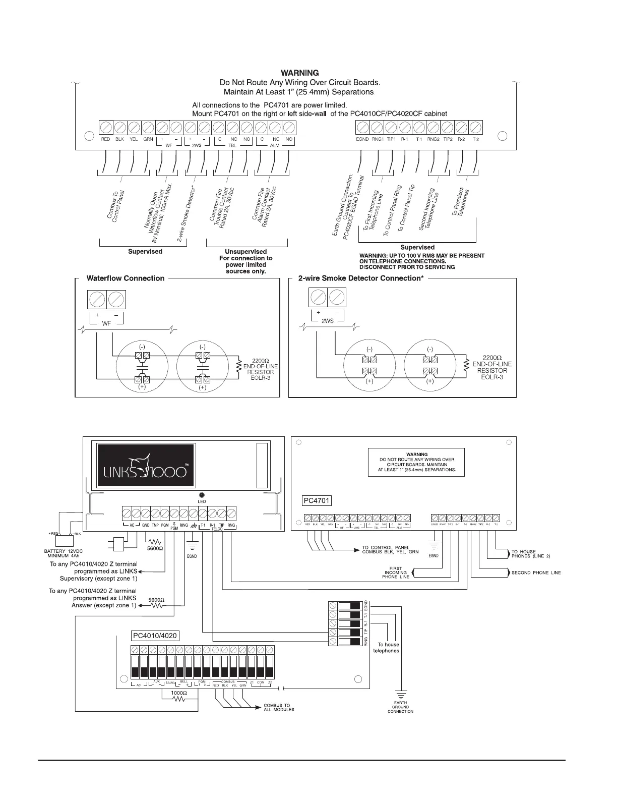
A.2 PC4701 Wiring Diagram (Waterflow and 2-Wire Smoke)
A.3 PC4020CF Communications Connections (LINKS1000, PC4701, LINKS2150, LINKS2450)*
*NOTE: For residential use only.
* Refer to your PC4020CF Installation Manual
(#29007011) or PC4010CF Installation Manual
(#29003233 or 29003234) for a list of compatible
2-wire smoke detectors.

Table of Contents

Other manuals for Maxsys PC4020