EasyManua.ls Logo

Megger MRCT - Page 110

Megger MRCT
111 pages
Print Icon
To Next Page IconTo Next Page
To Next Page IconTo Next Page
To Previous Page IconTo Previous Page
To Previous Page IconTo Previous Page
Loading...
110
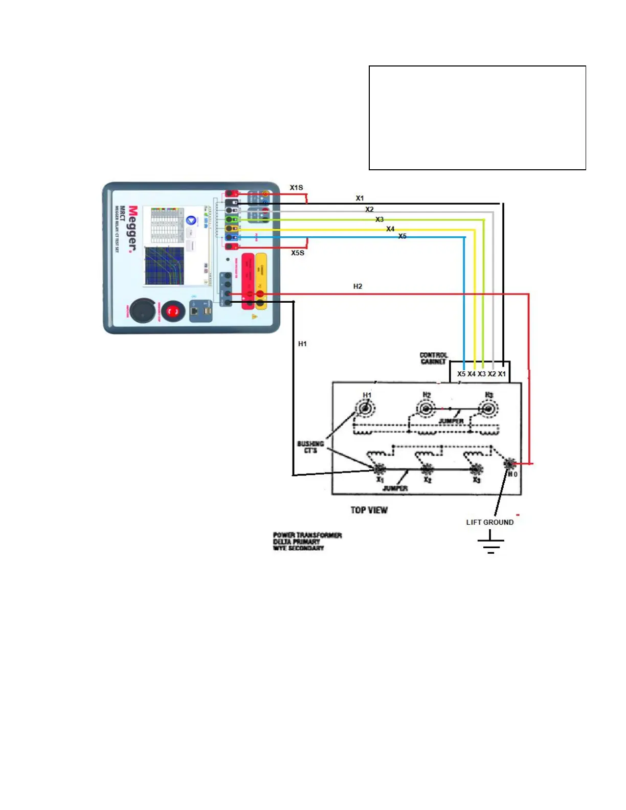
Bushing CT’s can be tested in a de-
energized circuit breaker which has been
totally isolated from the power system. CT
secondary leads will normally terminate in
the control cabinet. Refer to the chart on
for connections.

Table of Contents

Related product manuals