EasyManua.ls Logo

Miele T 980x - Figure 031-1: Gas Ignition Schematic; Figure 031-2: Onset of Drying Process, before Gas Starts to Flow

Miele T 980x
67 pages
Print Icon
To Next Page IconTo Next Page
To Next Page IconTo Next Page
To Previous Page IconTo Previous Page
To Previous Page IconTo Previous Page
Loading...
Technical Information
30
T 980x/T 982x
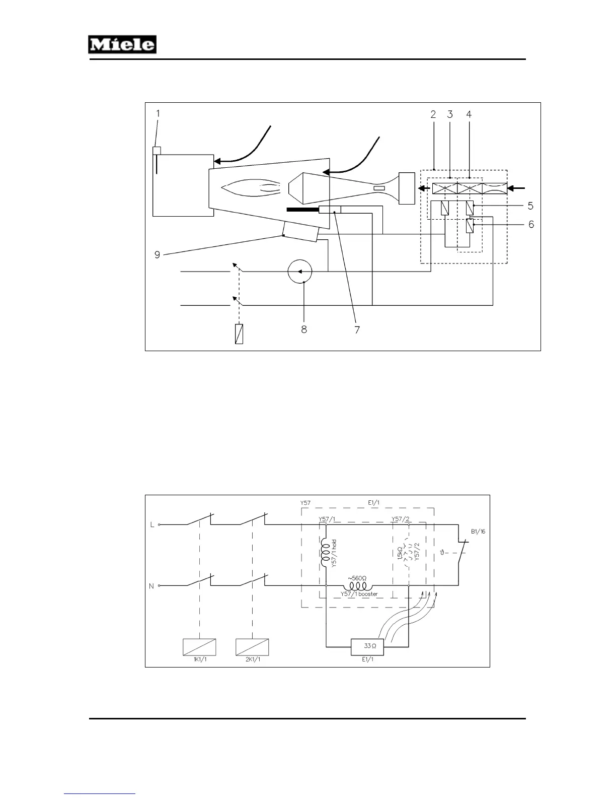
2.1.2 Gas Ignition
Figure 031-1: Gas Ignition Schematic
1 NTC heating (1R30, 2R30) in heating duct
2 Gas solenoid valve Y57
3 Gas solenoid valve Y57/2
4 Gas solenoid valve Y57/1
5 Maintaining coil for gas solenoid valve Y57/1
6 Booster coil for gas solenoid valve Y57/1
7 Igniter E1/1
8 Temperature limiter (1F1, 2F1)
9 Flame sensor (radiance sensor B1/16)
Figure 031-2: Onset of Drying Process, Before Gas Starts to Flow

Table of Contents

Related product manuals