EasyManua.ls Logo

Minebea Intec PR 5310 - Page 44

Minebea Intec PR 5310
200 pages
Print Icon
To Next Page IconTo Next Page
To Next Page IconTo Next Page
To Previous Page IconTo Previous Page
To Previous Page IconTo Previous Page
Loading...
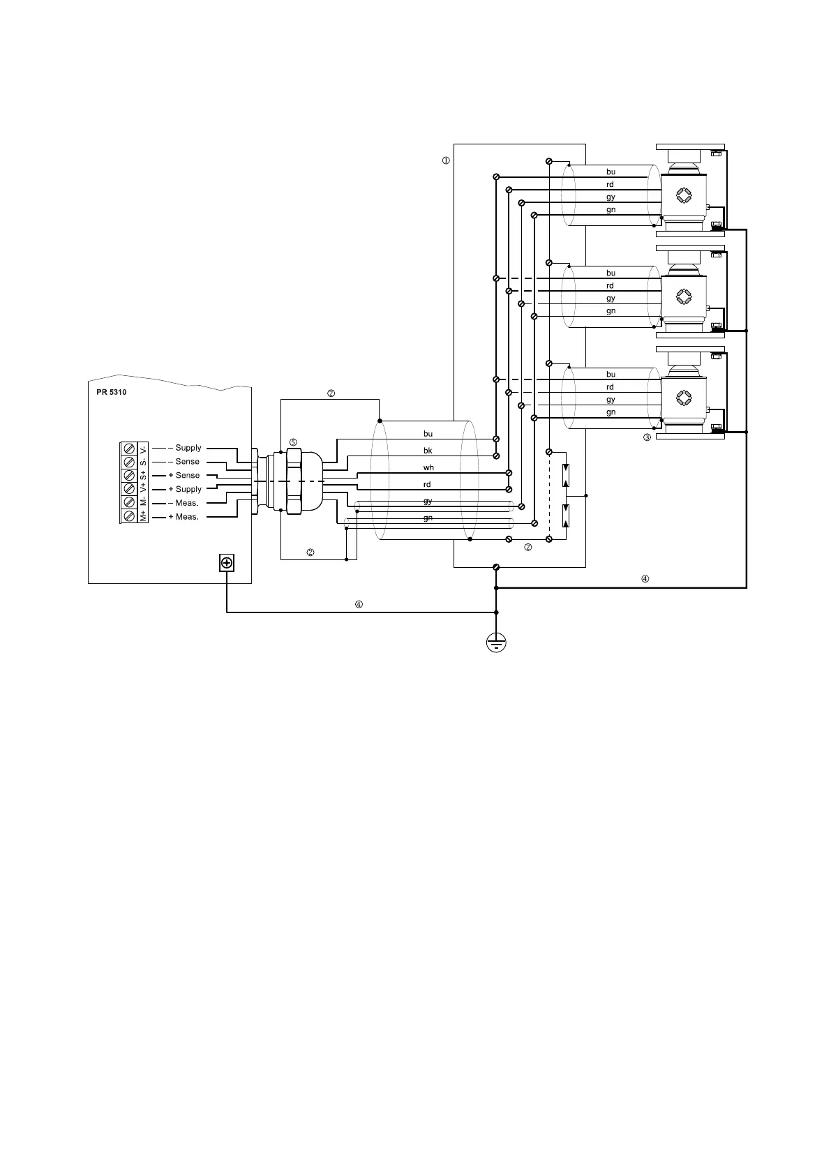
4. Device installation | 4.3 - Hardware construction | 44
Connection example table-top device
Cable junction box
Screen
The cable screen is connected to the load cell housing.
Potential equalization
Cable gland

Table of Contents

Related product manuals