EasyManua.ls Logo

Minebea CSD-581-15 - Page 30

Default Icon
122 pages
Print Icon
To Next Page IconTo Next Page
To Next Page IconTo Next Page
To Previous Page IconTo Previous Page
To Previous Page IconTo Previous Page
Loading...
10
1 When tension is applied with the application of tension type or
universal(compression/tension) type of load cell, and display of “+”
direction is required, connect “Green” with Terminal No.9 at
terminals 1, and “Blue” with Terminal No.8 at terminals 1
individually. As there is a case which standard wiring color is
different, please confirm the inspection data sheet of the load cell
being used.
2 When the total length of CAB−502 specifies more than 30 m, the
accuracy may be out of warranty because the resistance of cable
makes the input voltage of the instrument decreased .
3 When the total length of CAB−501 specifies more than 100 m, the
accuracy may be out of warranty, because the resistance of cable
makes the remote sensing function of the instrument deteriorated.
2
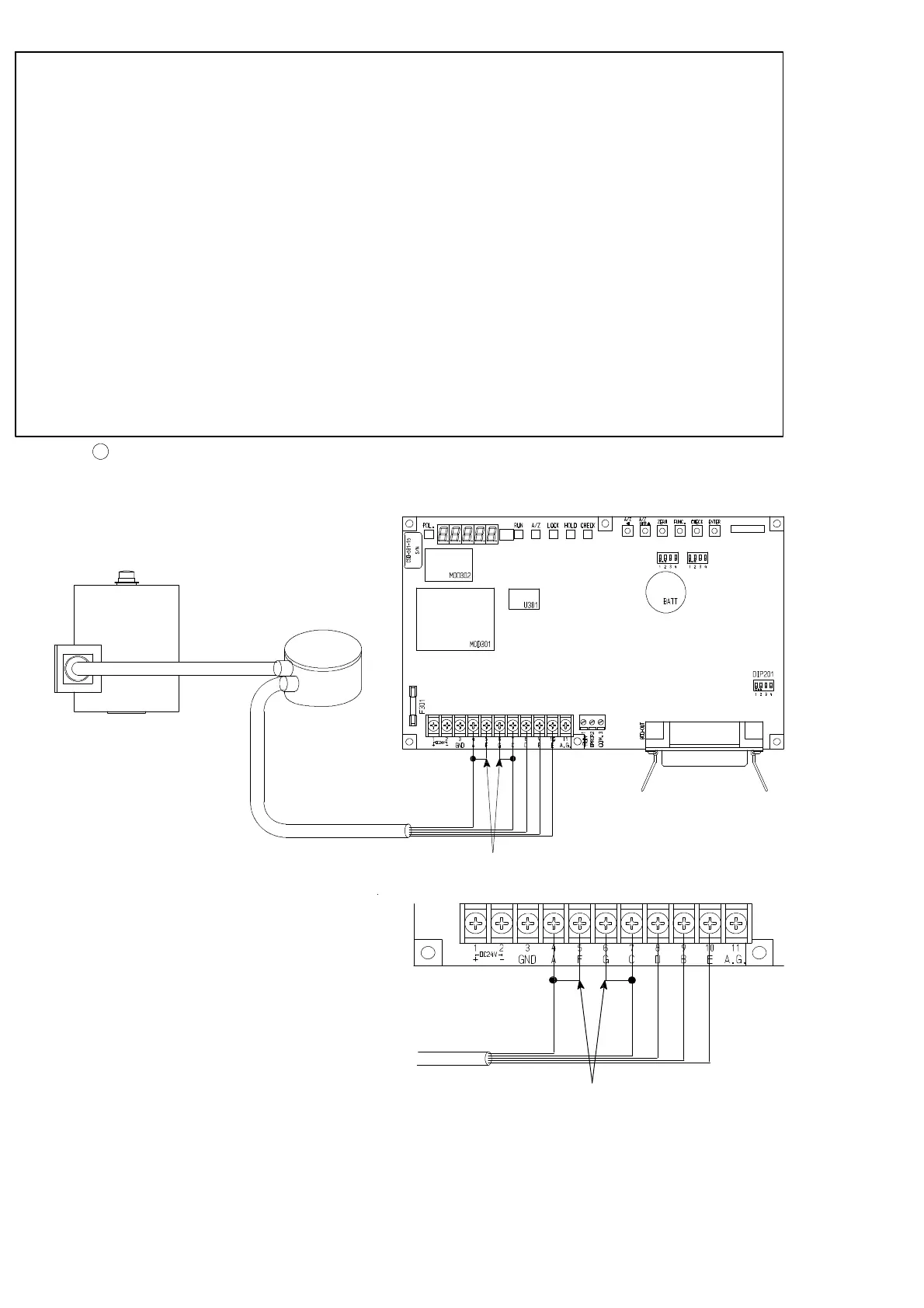
Connection with one set of Load cell and Junction box for extension use B−304 and
CSD−581−15
i) In case of application of CAB−502 (4 cores cable)
Junction box
B−304
CAB−502
2 (Length of CAB−502 should be
within 30 m totally.)
3m
Attached short bars
Enlarged figure for connecting section
Attached short bars
RED
WHT
1GRN
1BLU
Shield
RED
WHT
1BLU
Shield
1GRN
CN202
DIP202
DIP203

Table of Contents

Related product manuals