EasyManua.ls Logo

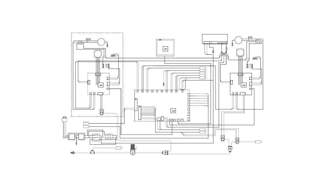
Multiplex MB-8-1 - VERSION 1 ICE MACHINE R404 A REFRIGERANT - CONTROL SYSTEM WIRING DIAGRAM

Multiplex MB-8-1
178 pages
Print Icon
To Next Page IconTo Next Page
To Next Page IconTo Next Page
To Previous Page IconTo Previous Page
To Previous Page IconTo Previous Page
Loading...

Table of Contents

Related product manuals