EasyManua.ls Logo

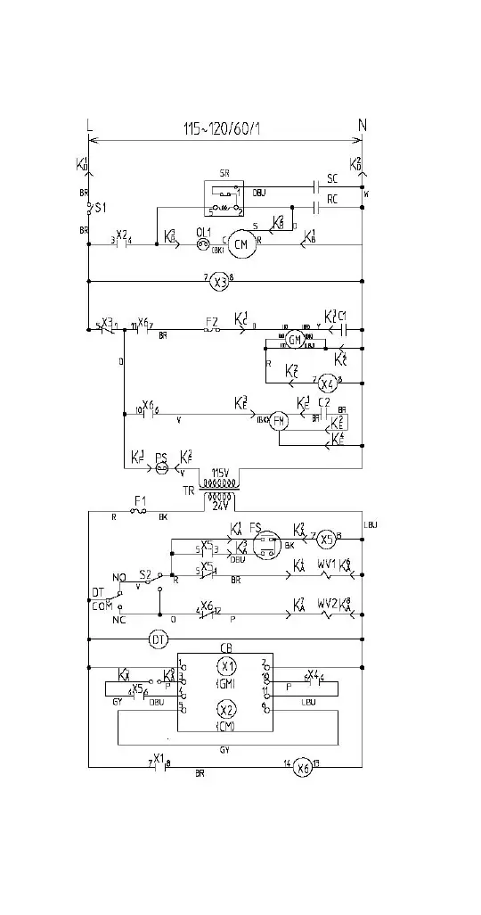
Multiplex MB-8-1 - Version 1 Ice Machine R404 A Refrigerant - Ice Machine Logic Diagram

Multiplex MB-8-1
178 pages
Print Icon
To Next Page IconTo Next Page
To Next Page IconTo Next Page
To Previous Page IconTo Previous Page
To Previous Page IconTo Previous Page
Loading...
170 Part Number STH034 3/12
VERSION 1 ICE MACHINE R404A REFRIGERANT -
ICE MACHINE LOGIC DIAGRAM

Table of Contents

Related product manuals