EasyManua.ls Logo

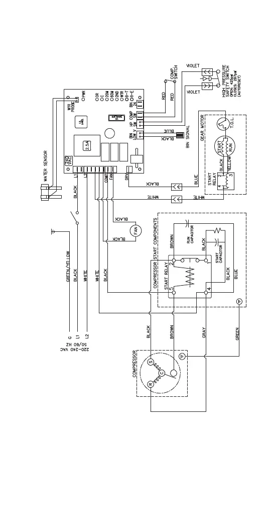
Multiplex MB-8-1 - VERSION 2 ICE MACHINE R290 REFRIGERANT - ICE MAKER WIRING DIAGRAM

Multiplex MB-8-1
178 pages
Print Icon
To Next Page IconTo Next Page
To Next Page IconTo Next Page
To Previous Page IconTo Previous Page
To Previous Page IconTo Previous Page
Loading...
Part Number STH034 3/12 175
VERSION 2 ICE MACHINE R290 REFRIGERANT -
ICE MAKER WIRING DIAGRAM

Table of Contents

Related product manuals