EasyManua.ls Logo

Myray RX DC - Caractéristiques Dimensionnelles

Myray RX DC
Print Icon
To Next Page IconTo Next Page
To Next Page IconTo Next Page
To Previous Page IconTo Previous Page
To Previous Page IconTo Previous Page
Loading...
132
INSTRUCTIONS D’UTILISATION
FR
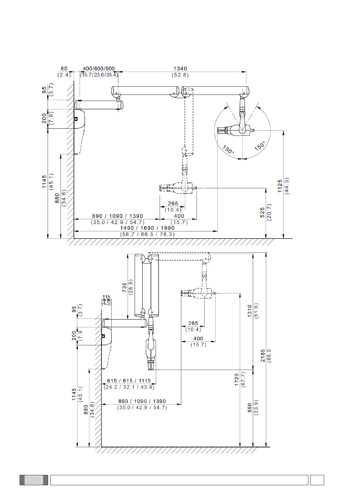
11. CARACTÉRISTIQUES DIMENSIONNELLES
Toutes les dimensions sont exprimées en millimètres (pouces).

Table of Contents

Other manuals for Myray RX DC

Related product manuals