EasyManua.ls Logo

Myray RX DC - Características Dimensionales; Versión de Pared

Myray RX DC
Print Icon
To Next Page IconTo Next Page
To Next Page IconTo Next Page
To Previous Page IconTo Previous Page
To Previous Page IconTo Previous Page
Loading...
184
INSTRUCCIONES DE USO
ES
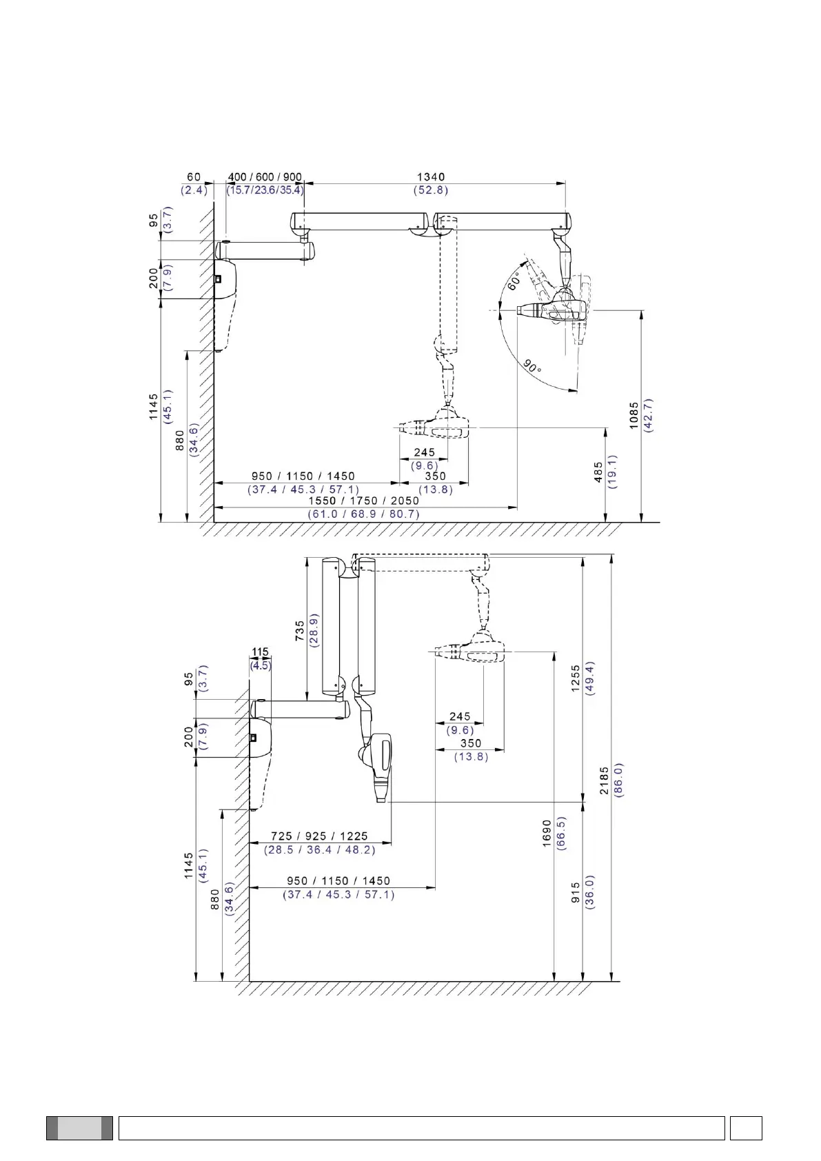
11. CARACTERÍSTICAS DIMENSIONALES
11.1. VERSIÓN DE PARED
Todas las dimensiones son expresadas en milímetros (pulgadas).

Table of Contents

Other manuals for Myray RX DC

Related product manuals