EasyManua.ls Logo

Myray RX DC - Настенный Вариант; Размерные Характеристики

Myray RX DC
Print Icon
To Next Page IconTo Next Page
To Next Page IconTo Next Page
To Previous Page IconTo Previous Page
To Previous Page IconTo Previous Page
Loading...
284
ИНСТРУКЦИИ ПО ПРИМЕНЕНИЮ
RU
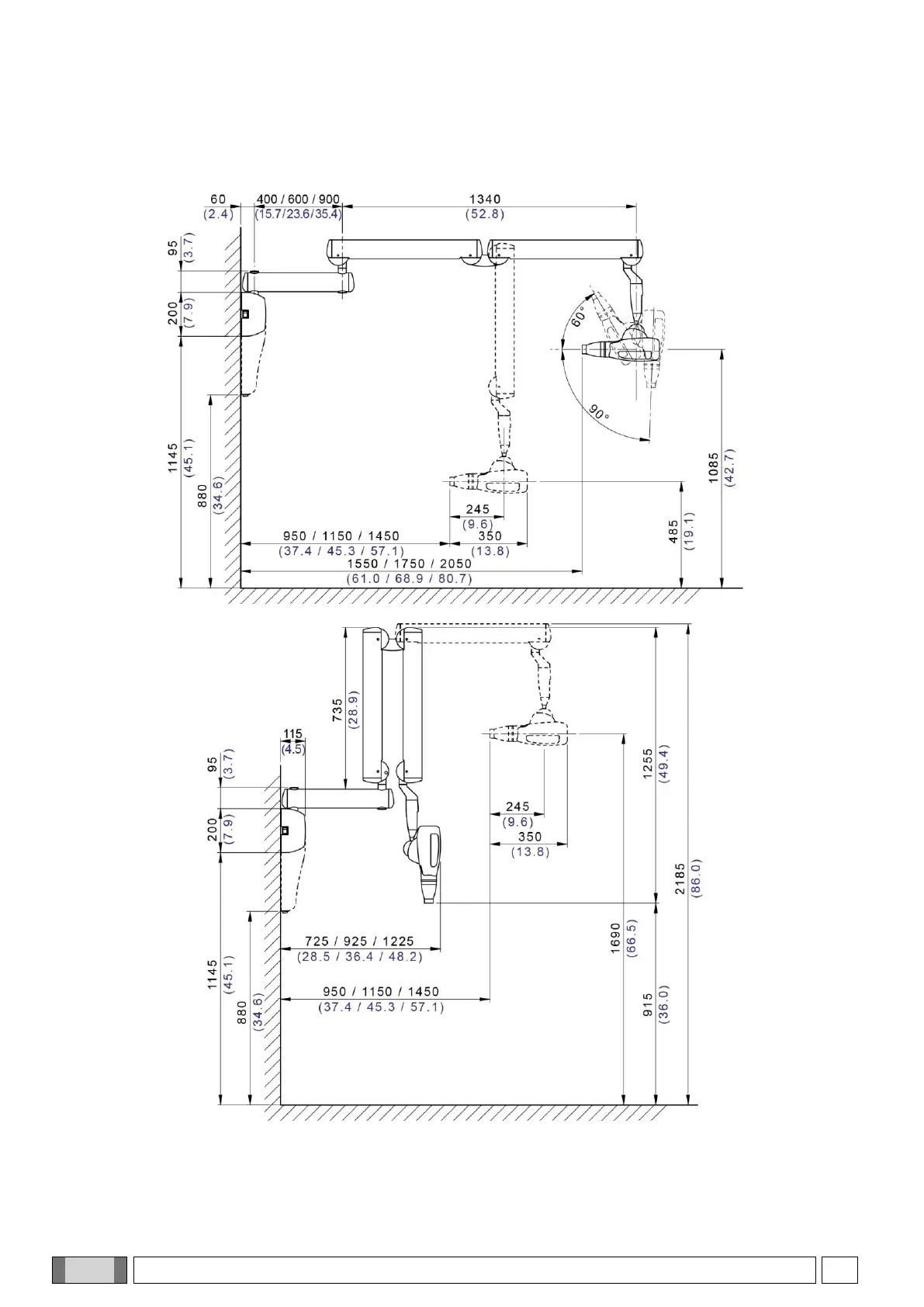
11. РАЗМЕРНЫЕ ХАРАКТЕРИСТИКИ
11.1. НАСТЕННЫЙ ВАРИАНТ
Все размеры выражены в миллиметрах (дюймах).

Table of Contents

Other manuals for Myray RX DC

Related product manuals