EasyManua.ls Logo

Myray RX DC - Caratteristiche Dimensionali

Myray RX DC
Print Icon
To Next Page IconTo Next Page
To Next Page IconTo Next Page
To Previous Page IconTo Previous Page
To Previous Page IconTo Previous Page
Loading...
28
ISTRUZIONI PER L'USO
IT
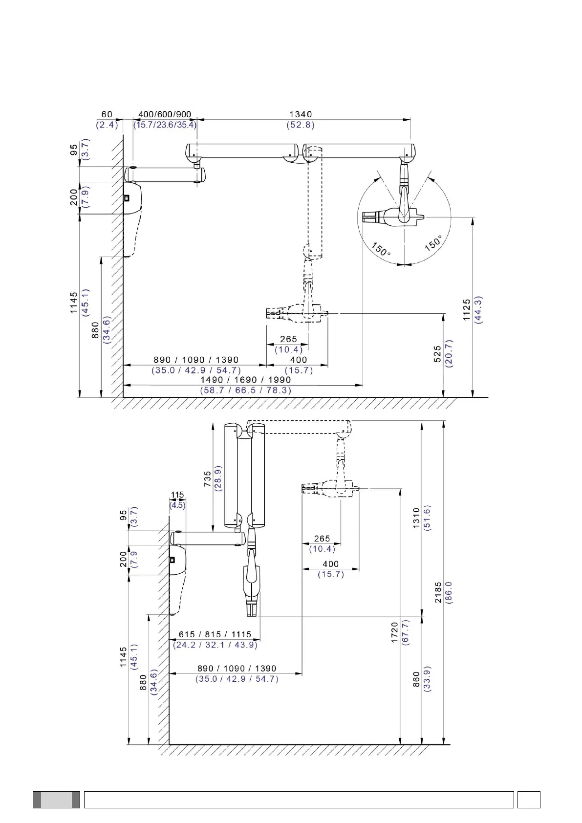
11. CARATTERISTICHE DIMENSIONALI
Tutte le dimensioni sono espresse in millimetri (pollici).

Table of Contents

Other manuals for Myray RX DC

Related product manuals