EasyManua.ls Logo

Myray RX DC - WALL-MOUNTED VERSION

Myray RX DC
Print Icon
To Next Page IconTo Next Page
To Next Page IconTo Next Page
To Previous Page IconTo Previous Page
To Previous Page IconTo Previous Page
Loading...
80
OPERATOR'S MANUAL
EN
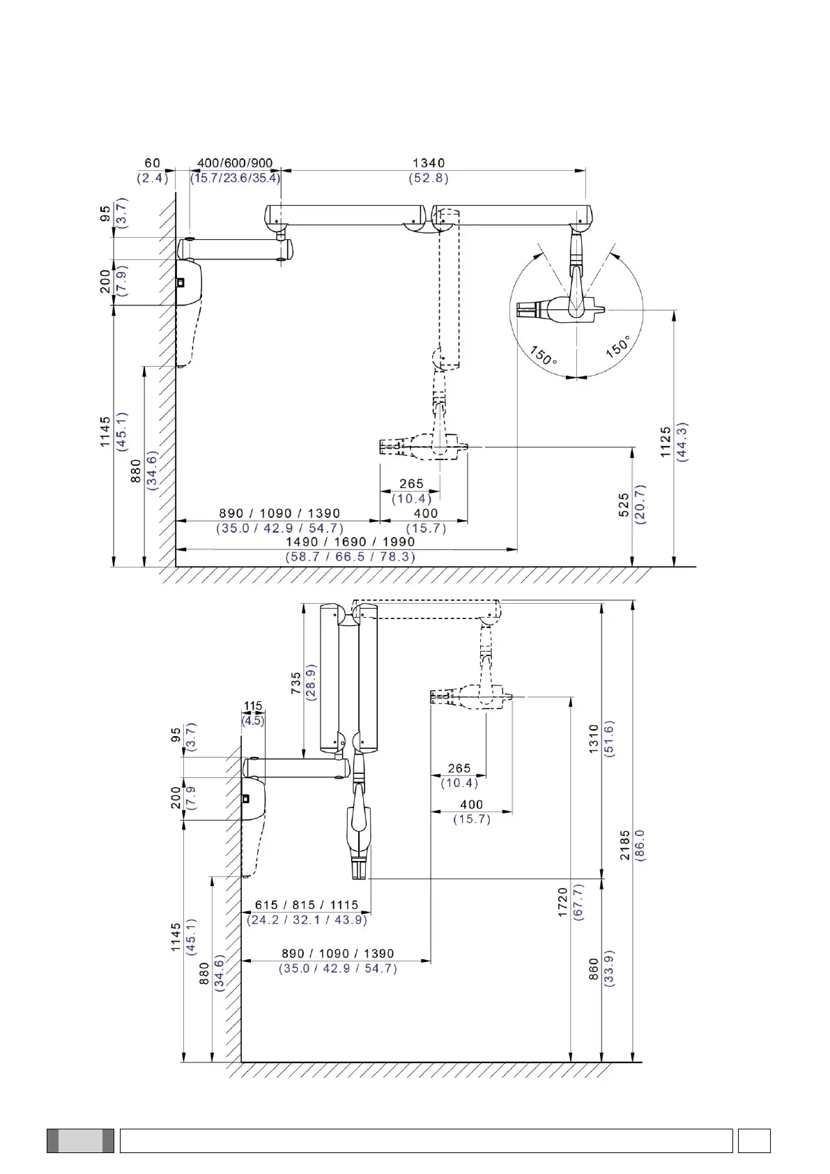
11. DIMENSIONAL CHARACTERISTICS
All dimensions are expressed in millimetres (inches).

Table of Contents

Other manuals for Myray RX DC

Related product manuals