EasyManua.ls Logo

Nautel FM10 - External Input;Output Interface

Nautel FM10
200 pages
Print Icon
To Next Page IconTo Next Page
To Next Page IconTo Next Page
To Previous Page IconTo Previous Page
To Previous Page IconTo Previous Page
Loading...
10 000 WATT FM BROADCAST TRANSMITTER
FM10
Page 2-15
01 October 2002
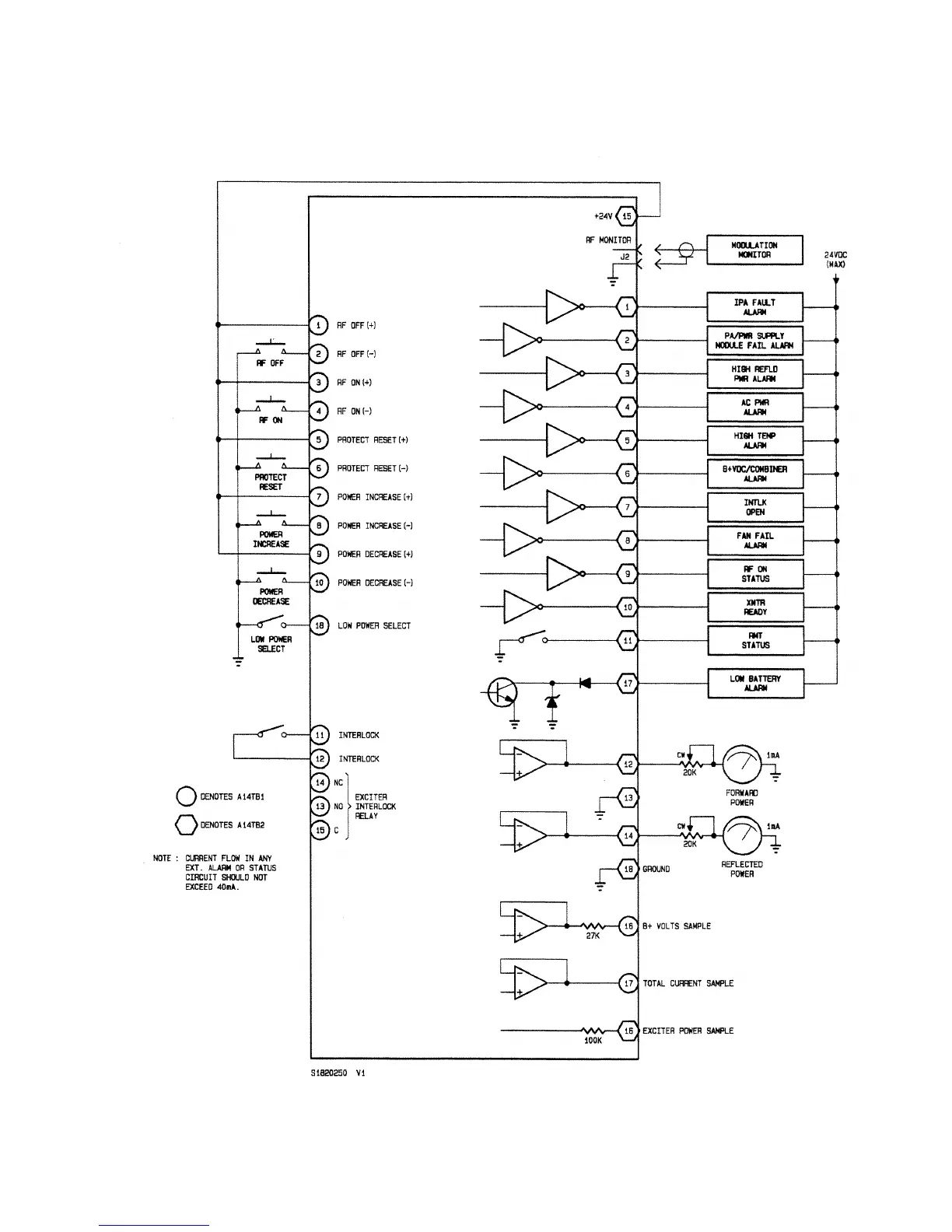
Figure 2-1 External Input/Output Interface

Table of Contents

Related product manuals