EasyManua.ls Logo

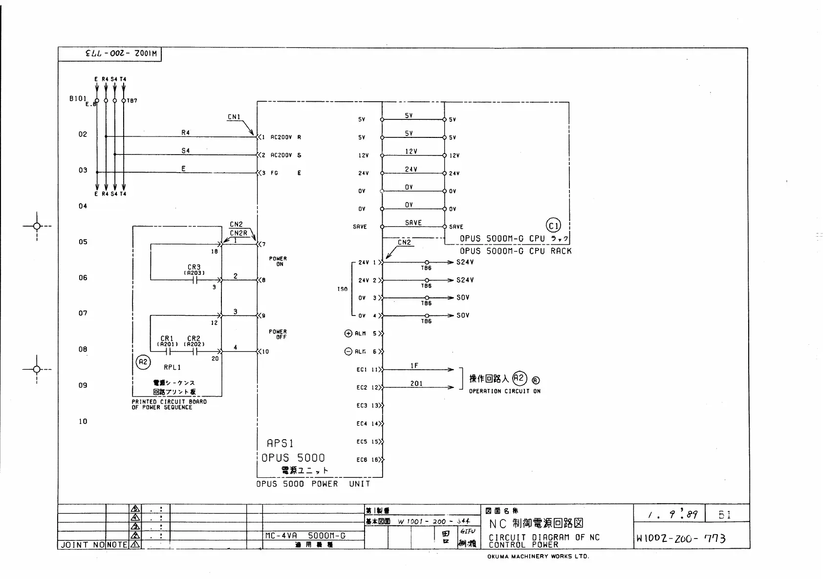
Okuma OSP 5000 - Circuit Diagram of NC Control Power

Okuma OSP 5000
286 pages
Print Icon
To Next Page IconTo Next Page
To Next Page IconTo Next Page
To Previous Page IconTo Previous Page
To Previous Page IconTo Previous Page
Loading...

Table of Contents

Related product manuals