EasyManua.ls Logo

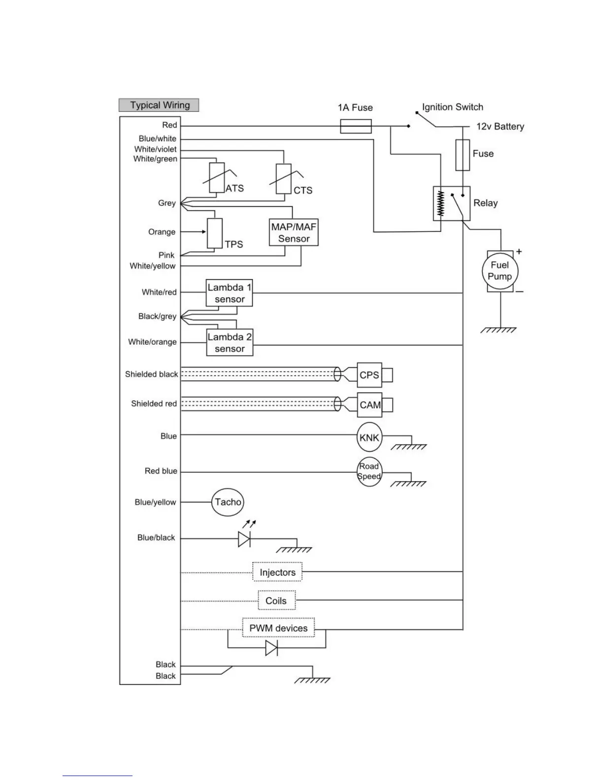
OMEX OMEM710 - Comprehensive Wiring Diagram

OMEX OMEM710
72 pages
Print Icon
To Previous Page IconTo Previous Page
To Previous Page IconTo Previous Page
Loading...
OMEM710 Hardware Manual 2v11
72

Related product manuals