EasyManua.ls Logo

Omron GX-ID1611 - Page 234

Omron GX-ID1611
394 pages
Print Icon
To Next Page IconTo Next Page
To Next Page IconTo Next Page
To Previous Page IconTo Previous Page
To Previous Page IconTo Previous Page
Loading...
9 Encoder Input Slave Unit
9 - 28
GX-series EtherCAT Slave Unit User’s Manual
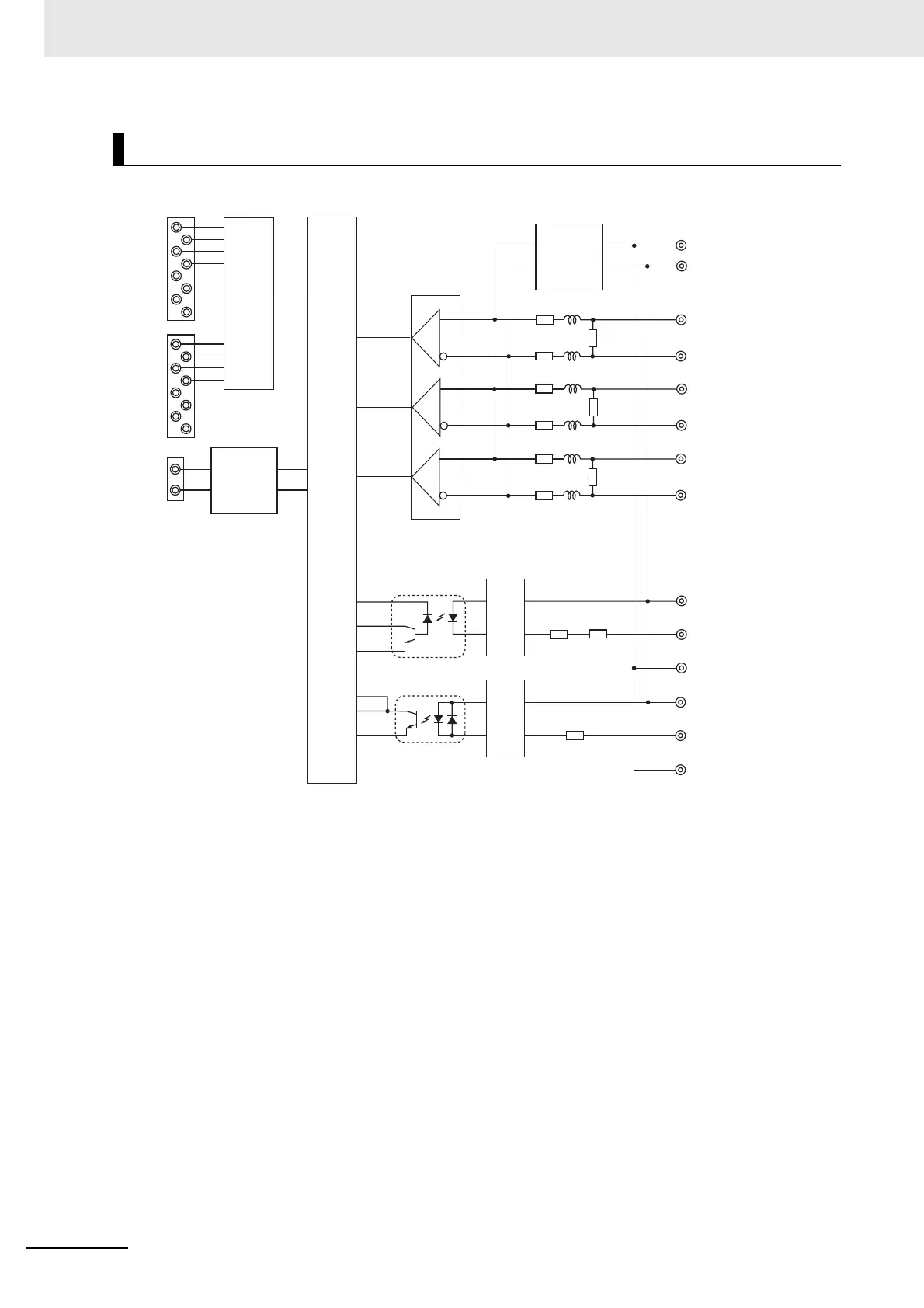
Internal circuits diagram
G1
LA/LB
V1
A
A+
V1
G1
B
B+
Z
Z+
.
.
.
.
Line
receiver
2 kΩ
2 kΩ
4.7 kΩ
4.7 kΩ
4.7 kΩ
4.7 kΩ
4.7 kΩ
4.7 kΩ
G1
RST
V1
3.3 kΩ
Internal circuits
Photocoupler
Photocoupler
Input
circuits
Input
circuits
TX+
Physical
layer
DC-DC
converter
(No-isolation
type)
TX
RX+
RX
TX+
TX
RX+
RX
CN IN
CN OUT
UNIT PS
+V
V
DC-DC
converter
(No-isolation
type)

Table of Contents

Related product manuals