EasyManua.ls Logo

Panasonic AV-HS450E - Page 148

Panasonic AV-HS450E
191 pages
Print Icon
To Next Page IconTo Next Page
To Next Page IconTo Next Page
To Previous Page IconTo Previous Page
To Previous Page IconTo Previous Page
Loading...
148
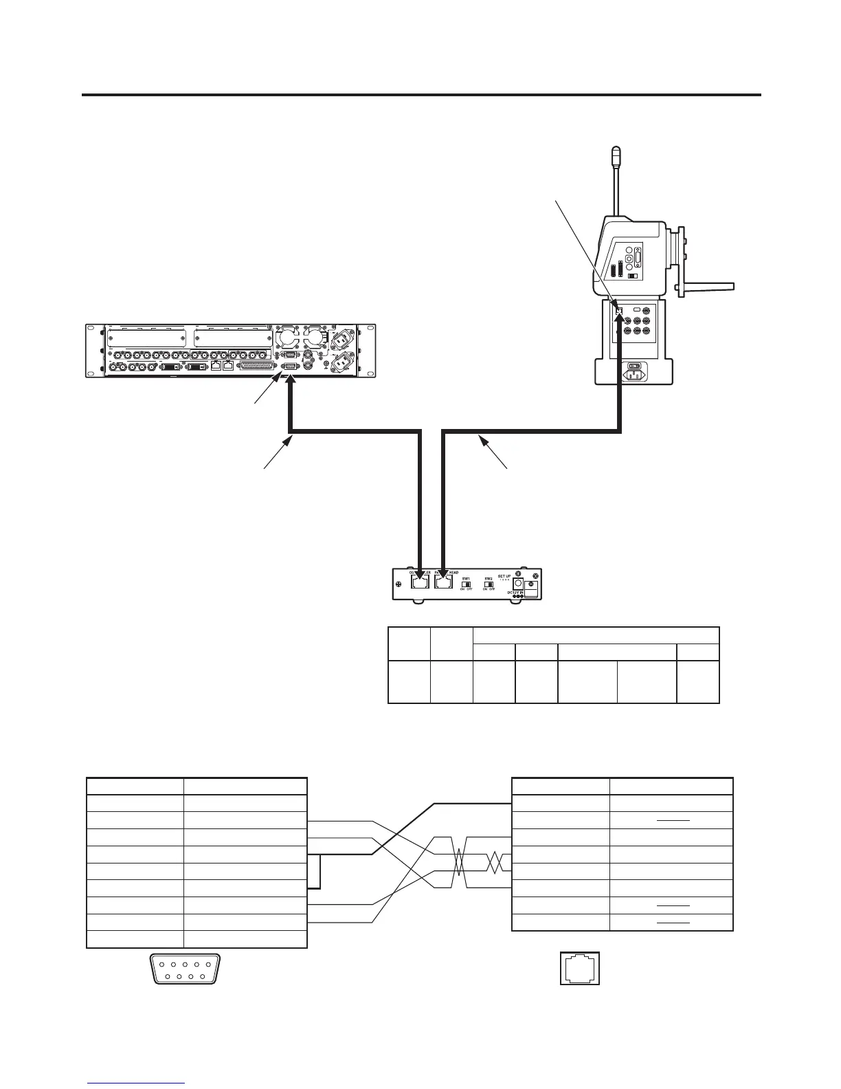
5. System settings
Connections for AW-PH400E
SIGNAL
GND
REF
EDITOR
COM
TALLY/GPI
PANELLAN
234 56
321456789 10 11 12 13 14 15 16 C/C
U/C
1
SDI OUTPUTS
SDI INPUTS
DVI-D OUTPUTS
IN/OUT B2IN/OUT B1
SLOT B
IN/OUT A2IN/OUT A1
SLOT A
COM connector
Switch settings
SW1 SW2
SET UP
12 3 4
OFF OFF ON OFF
ON
(300 deg)
OFF
(190 deg)
OFF
CONTROL IN IP/RP connector
Cable length: Max. 200 m
Twisted pair cable (AWG24)
AV-HS450E AW-PH400E
Cable length: Max. 500 m
10Base-T straight cable
(UTP category 5)
AW-IF400G
<Connection specifications>
1 FRAME GND
2 RXD –
3 TXD +
4 GND
5
6 GND
7 RXD +
8 TXD –
9 FRAME GND
NC
1
2
3
4
5
6
7
8
RXD –
GND
TXD –
RXD +
TXD +
COM
CONTROLLER
12345
9 876
8.......1
: Twisted pair cable
Pin No. Signal Pin No. Signal
AV-HS450E AW-IF400G

Table of Contents

Related product manuals