EasyManua.ls Logo

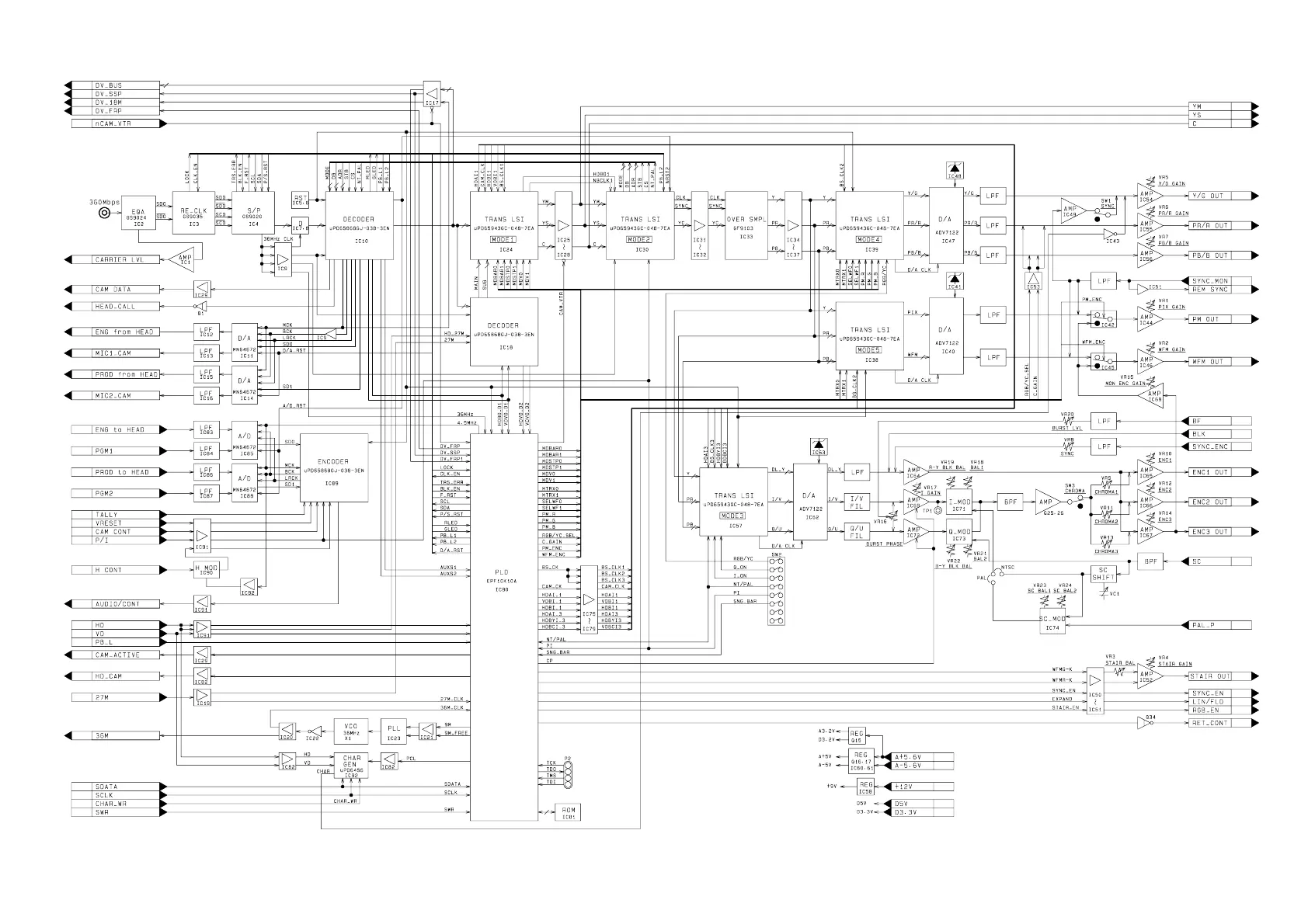
Panasonic DVCPRO AJ-CA901P - Bs Digital Block Diagram

Panasonic DVCPRO AJ-CA901P
268 pages
Print Icon
To Next Page IconTo Next Page
To Next Page IconTo Next Page
To Previous Page IconTo Previous Page
To Previous Page IconTo Previous Page
Loading...
BS DIGITAL BLOCK DIAGRAM
BLK-5
A,B24-25
P1
P1
A26
P1
B47
P1
B66
P1
A63
P1
A70
P1
A71
P1
B70
P1
B71
P1
A68
P1
A69
P1
B68
P1
B69
P1
A64
P1
A65
P1
A44
A75
P1
B64
P1
P1
A22
P1
A23
A73
B73
B74
A74
P1
A21
B21
B76
B65
A66
B75
B26
A57
B57
A,B28-32
P1
P1
A,B38-42
A,B33-37
A48
P1
A49
P1
A50
P1
A51
P1
A52
P1
A53
P1
A54
P1
A55
P1
P1
P1
A45
B46
B63
B45
B60
P1
A58
P1
A61
P1
B60
P1
P1
B58
P1
A59
A60
A46
A,B17-18
P1
A,B15-16
P1
A,B19-20
A,B9-11
P1
A,B12-14

Table of Contents

Related product manuals