EasyManua.ls Logo

Panasonic DVCPRO AJ-CA901P - Bs Power Sub

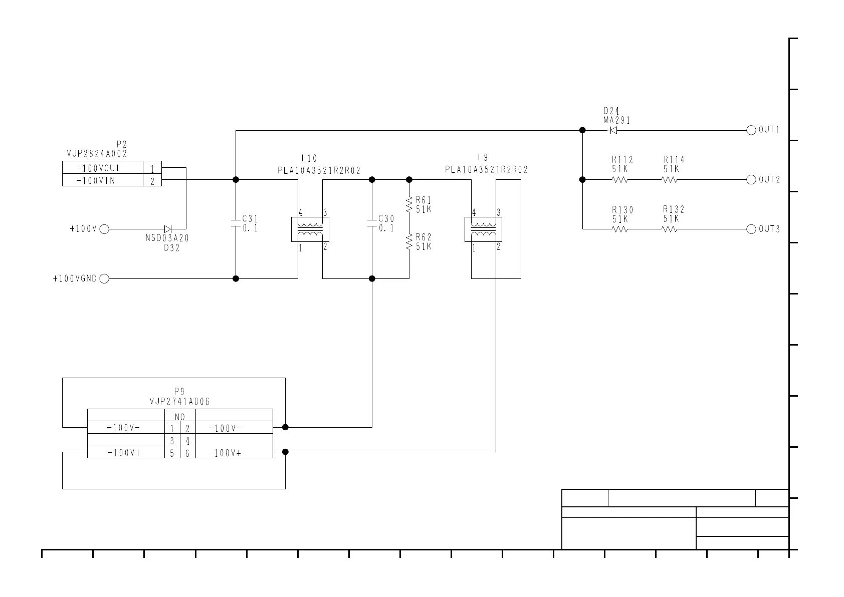
Panasonic DVCPRO AJ-CA901P
268 pages
Print Icon
To Next Page IconTo Next Page
To Next Page IconTo Next Page
To Previous Page IconTo Previous Page
To Previous Page IconTo Previous Page
Loading...
1 2 3 4 5 6 7 8 9 10 11 12 13 14 15
COMPONENT
NAME
BS_POWER_SUB
VEP21254
CIRCUIT BOARD NO.
KR1F11
DRAWING NO.
01/01
SCM047
A
B
C
D
E
F
G
H
I
J

Table of Contents