EasyManua.ls Logo

Panasonic KX-FP342CX

Panasonic KX-FP342CX
247 pages
To Next Page IconTo Next Page
To Next Page IconTo Next Page
To Previous Page IconTo Previous Page
To Previous Page IconTo Previous Page
Loading...
FAX TX Signal
FAX RX Signal
+24V
+12V
IC511-2
1
2
3
4
8
+24V
+24VA
+12V
IC511-1
5
6
7
+12V
+24VA
+5VA
RA511
270
1
2
3
4
5
6
7
8
RA506
270
1
2
3
45
6
7
8
AG_M
+3.3VD
+5VA
+5VA1
+5VA1
+5VA1
IC522
1
VSS
2
CLE
3
ALE
4
WE
5
WP
6
N.C.
7
N.C.
8
N.C.
9
N.C.
10
N.C.
13
N.C.
14
N.C.
15
N.C.
16
N.C.
17
N.C.
18
I/O0
19
I/O1
20
I/O2
21
I/O3
22
VSS
23
VCC
24
I/O4
25
I/O5
26
I/O6
27
I/O7
28
N.C.
29
N.C.
30
N.C.
31
N.C.
32
N.C.
35
N.C.
36
N.C.
37
N.C.
38
N.C.
39
N.C.
40
GND
41
R/B
42
RE
43
CE
44
VCC
+3.3VD
C586
K0.1u
C568
K1000p
C584
J180p
C659
C569
Z0.1u
C576
K0.1u
C582
Z0.1u
C579
K0.1u
C626
Z0.1u
C580
J39p
C601
K0.1u
C572
K0.01u
C567
NC
C658
C566
Z0.1u
C560 Z0.1u
C585
Z0.1u
C570
K0.027u
C581
K0.022u
C571
K0.1u
C588
50V10u
C625
6.3V100u
C565
16V10u
C564
16V10u
R591
10K
R589
220K
R568 10K
R580
150K
R585
470K
R581
10K
R575
10K
R566
1K
R571
1M
R574
1.5K
R587
47K
R579
30K
R573
2.2K
R569 68K
R586
15K
R570
470K
R698
R577 0
R584
3.9K
R572
1.8M
R622
330
R590
220K
R597
330K
R600
47K
R593
56K
R697
R594
6.8K
R583
33K
Q508
Q509
Q511
Q524
Q510
C587
NC
C562
NC
10K
RA513
1
2
3
45
6
7
8
C561
NC
C624
NC
C670
K1000p
C563
NC
C600
J56p
R732
NC
IC509
1
2
3
4
5
6
7
VSS
8
9
10
11
12
13
14
VDD
R695
+3.3VD
R694
R554
4.7K
+3.3VD
CN517
1 AG
2 +5V
3 LINETX
4 LINERX
5 ON-MREN
6 HSTX
7 HSRX
8 P-SHORT
9 DCN
10 EXTHOOK
11 +24V
12 LINERLY
13 BELL
14 HOOK
15 SPMUTE
16 SPOUT
R686
NC
D[0] D[7]
D[6]
D[5]
D[4]
FRD
D[7]
D[6]
D[5]
D[4]
D[3]
D[2]
D[1]
D[0]
P-SHORT
DCN
EXTHOOK
LINERLY
HSTXMUTE
P-SHORT
BELL
HOOK
D[1]
D[2]
D[3]
TONE1EN
R/B_
FCS
FWR
ALE
TONE2EN
HSRXEN
OF-MREN
MDMTXEN
SPMUTE
ON-MREN
DCN
EXTHOOK
TO
ANALOG BOARD
TAD MODEL Only
NOT USED
(a)
(b)
(c)
(d)
(e)
(f)
(g)
(h)
(i)
(j)
(k)
(m)
(n)
(p)
(q)
(r)
(21)
(22)(23)
(24)
(25)
(26)
(27)
(28)
(29) (30)
(32)
(33)(34)
(35)
(37) (38)
(39)
(40)
(41)
(42)
(43)
(31)
3/4
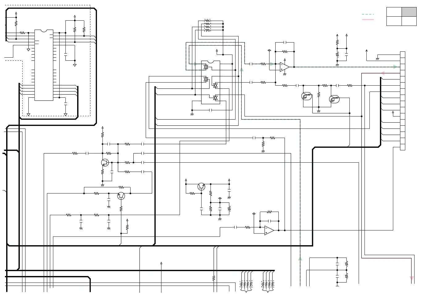
KX-FP342CX : DIGITAL BOARD (3/4)
(36)

Table of Contents

Related product manuals