EasyManua.ls Logo

Panasonic KX-FP342CX

Panasonic KX-FP342CX
247 pages
To Next Page IconTo Next Page
To Next Page IconTo Next Page
To Previous Page IconTo Previous Page
To Previous Page IconTo Previous Page
Loading...
CLK
....
SI
....
FAX TX Signal
FAX RX Signal
32.256KHz
+24V
CN503
11
22
33
44
55
66
77
88
99
1010
PG
IC505
1
SR4IN/RESERVED
2
SR3OUT/RESERVED
3 EYESYNC
4 EYECLK
5 RXD
6 SR1IO
7 NC7
8
EYEXY
9 SR4OUT
10 VDD1
11 RLSD#
12 DCLK
13 EN85#
14 GPIO
15 RTS#
16 DGND1
17 TXD
18 SA1CLK
19 RS4
20 RS3
21 RS2
22 RS1
23 RS0
24 YCLK
25 IACLK
26 IA1CLK
27 CTRLSIN_S/NC
28
RESERVED/NC-28
29 SOUT_S/NC
30 SIN_S/NC
31 FSYNC_S/NC
32 IARESET_S#/NC
33 AGND1
34 LINEIN_S/NC
35
MICP_S/NC
36
MICM_S/NC
37 MICBIAS_S/NC
38
NC38
39NC39
40
VREF_S/NC
41VC_S/NC
42VAA_S/NC
43LINEOUT_S/NC
44NC44
45AGND2
46SPKRP_S/NC
47SPKRM_S/NC
48AVDD_S/NC
49RESERVED/NC-49
50ICLK_S/NC
51MCLK_P
52CTRLSIN_P
53RESERVED-53
54SOUT_P
55
SIN_P
56FSYNC_P
57IARESET_P#
58AGND3
59NC59
60LINEIN_P
61MICP_P
62MICM_P
63MICBIAS_P
64NC64
65NC65
66VREF_P
67VC_P
68VAA_P
69LINEOUT_P
70AGND4
71SPKRP_P
72SPKRM_P
73AVDD_P
74NC74
75ICLK_P
76MCLK_S/NC
77VDD2
78D7
79D6
80D5
81D4
82D3
83D2
84DGND2
85VDD3
86D1
87DGND3
88D0
89CSBR#/RESERVED
90WRITE#
91CS#
92READ#
93GPI2
94GPI3
95GPI4
96GPI5
97GPI6
98GPI7
99GPO7
100
VDD4
101
GPO6
102
GPO5
103
RESERVED-103
104
GPO4
105
GPO3
106
DGND4
107
CTS#
108
IRQ1#
109
GPO2
110
GPO1
111
GPO0
112
VDD5
113
VGG
114
DGND5
115
RESET#
116
XTALI
117
XTALO
118
RESERVED-118
119
XCLK
120
GPI1
121
IRQ2#
122
SR3IN
123
RESERVED-123
124
RESERVED-124
125
DGND6
126
DVAA
127
AGND5
128
EYESYNC
EYECLK
EYEXY
+5VA
AG_M
AG_M
AG_M
AG_M
AG_M
AG_M
XCLK
+3.3VD
FTG
VIDEO
+3.3VD
+5VD
5CTS
6DSR
7DTR
8GND
+5VD
AG_M
AG_M
+3.3VD
+3VDCIS
+5VD
C577 K1000p
C545
Z0.1u
C553
K4700p
C667
NC
C540
J10p
C549
K0.1u
C665
NC
C664
NC
C589
Z0.1u
C535
Z0.1u
C550
J33p
C656
Z0.1u
C547
Z0.1u
C546
Z0.1u
C583
Z0.1u
C573 K0.1u
C575
Z0.1u
C559
Z0.1u
C662
NC
C598
J12p
C578 Z0.1u
C614
Z0.1u
C666
NC
C633
NC
C539
J100p
C599
J10p
C541
J10p
C554
K4700p
C663
NC
C669
NC
C534
6.3V100u
C551
6.3V100u
C668
NC
C548
6.3V100u
C574
NC
L518
0
L515
0
L516
100
L509
0
L517
100
L519
L506
L510
0
L514
R558
2.7K
R541 100
R560
10K
R543 100
R564
10K
R551
100
R556
6.8
R682 10K
R582 1K
R631
NC
R710
NC
R709
NC
R595
NC
R614
4.7K
R559
10K
R629
100
R552
47
R615
2.2K
R553
1M
R557
270
R706
NC
R596
NC
R711
NC
R708
NC
R542 100
R549
100
R565
2.2K
R555
22
R632
NC
R567
1K
R563
220
R561
4.7K
R576 10K
X502
24MHz
X503
32.256MHz
Q518
Q526
Q514
Q513
NC
Q525
L520
0
C558
NC
C661
NC
C637
NC
R707
NC
R728
4.7K
R658
NC
R602
NC
R657
NC
R599
NC
R633
NC
C660
NC
R634
0
CN509
NC
1MIC IN
2GND
3GND
390 2WR603
L530 0
L531
C657
NC
R687
NC
R685
100
R740
NC
R688
0
A[0]
A[1]
A[2]
A[3]
A[4]
SPMUTE
DSR
CISLED
MDMCS
CISLED
MDMRST
SIG
CISON
F1
FTG
MICIN
TO CIS
TO FLASH PROGRAMER
TAD MODEL Only
CISSEL
TAD MODEL Only
NOT USED
NOT USED
RESERVED-128
(s)
(t)
(u)
(v)
(w)
(x)
(y)
(z)
(A)
(B)
(D)
(E)
(F)
(H)
(J)
(M)
(N)
(Q)
(R)
(T)
(U)
(Y)
(G)
(21) (22)(23)
(24)
(25)
(26)
(27)
(28)
(29)
(30)
(32) (33)(34)
(35)
(36)
(37) (38)(39)(40)
(41)
(42)(43)
(31)
4/4
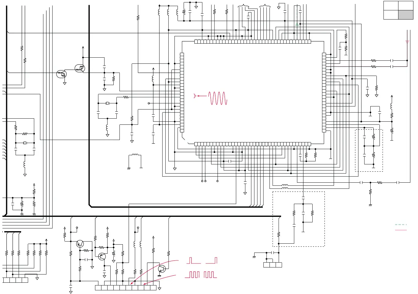
KX-FP342CX : DIGITAL BOARD (4/4)

Table of Contents

Related product manuals