EasyManua.ls Logo

Panasonic KX-FP342CX - Page 239

Panasonic KX-FP342CX
247 pages
Print Icon
To Next Page IconTo Next Page
To Next Page IconTo Next Page
To Previous Page IconTo Previous Page
To Previous Page IconTo Previous Page
Loading...
3.3V
0V
5V
0V
5V
0V
5V
0V
+5V
C310
Z0.1u
R303
18K
R305
2.2K
C303
6.3V 100u
C314
Z0.1u
SW352
31
42
R315
100
C316
K0.01u
R314
4.7K
SW353
31
42
R317
100
C317
K0.01u
R316
4.7K
+5V
CN303
1MICIN
2
3GND
C304
Z0.1u
R351
330
R352
6.8K
C354
6.3V 100u
C306
J100P
C302
Z0.1u
C308
J330P
C309
J330P
( )
NC
R304
R318
4.7
+5V
+5V
+5V
+5V
CN302
1
GND
2
+5VLCD
3
VO
4
RS
5
R/W
6
E
7
D0
8
D1
9
D2
10
D3
SW301
FAX/START
/SET
SW305
4
SW306
SW307
FLASH
SW308
7
SW309
2
SW310
5
SW311
0
SW312
REDIAL/
PAUSE
SW313
8
SW314
3
SW315
6
SW316
#
SW317
MUTE
SW318
9
SW319
COPY
SW321
PREV
SW326
MENU
SW329
AUTO ANSWER
SW330
ONE TOUCH 5
SW331
LOWER
SW333
SEARCH
SW334
PRINT
REPORT
SW335
ONE TOUCH 2
SW336
ONE TOUCH 3
( )
NC
D301
C352
K0.0068u
R353
22K
Q301
R354
150
R355
560K
R356
3.3K
C353
J330P
C351
K0.01u
R306
2.2K
C311
Z0.1u
( )
NC
R307
SW327
(+)
R312
LED301
NEW MESSAGES
CN301
1MICIN
2AG
3+5V
4DG
5
KSTART
6
KLATCH
7KRXD
8KTXD
9KSCLK
10RESET
+5V
IC301
30
RESET
31
SCLK
32
RXD
33
TXD
34
LATCH
35
START
42
KIN0
3
KIN1
7
KIN2
8
KIN3
11
KIN4
12
KIN5
13
KIN6
14
KIN7
43
KSL0
41
LED5
38
LED4
37
LED3
36
LED2
29
D7
28
D6
27
D5
26
D4
25
E
24
R/W
23
RS
22
LED1
19
XL13
40
VDD
17
VDD
44
KSL1
2
LED6
1
KSL2
5
XL8
10
KSL3
6
XL9
4
KSL4 XL12
15
9
XL10
16
XL11
18
GND
20
XL14
39
GND
21
XL15
+5V
R313
LED302
SW320
STOP
SW322
NEXT
SW324
RECORD
SW325
ERASE
SW328
HELP
SW332
ONE TOUCH 4
SW337
ONE TOUCH 1
R302
270
SW302
MONITOR
SW303
(-)
SW304
1
SW323
PLAY
MESSAGE
( )
C305
NC
R320
0
R321
0
R322
0
R323
0
R324
0
R325
0
R326
0
DOCUMENT
TOP SW
DOCUMENT
SET SW
TO DIGITAL
TO COB
TO MIC
MIC (+)
MIC (-)
TO DIGITAL
TO LCD
Not used
Not used
Not used
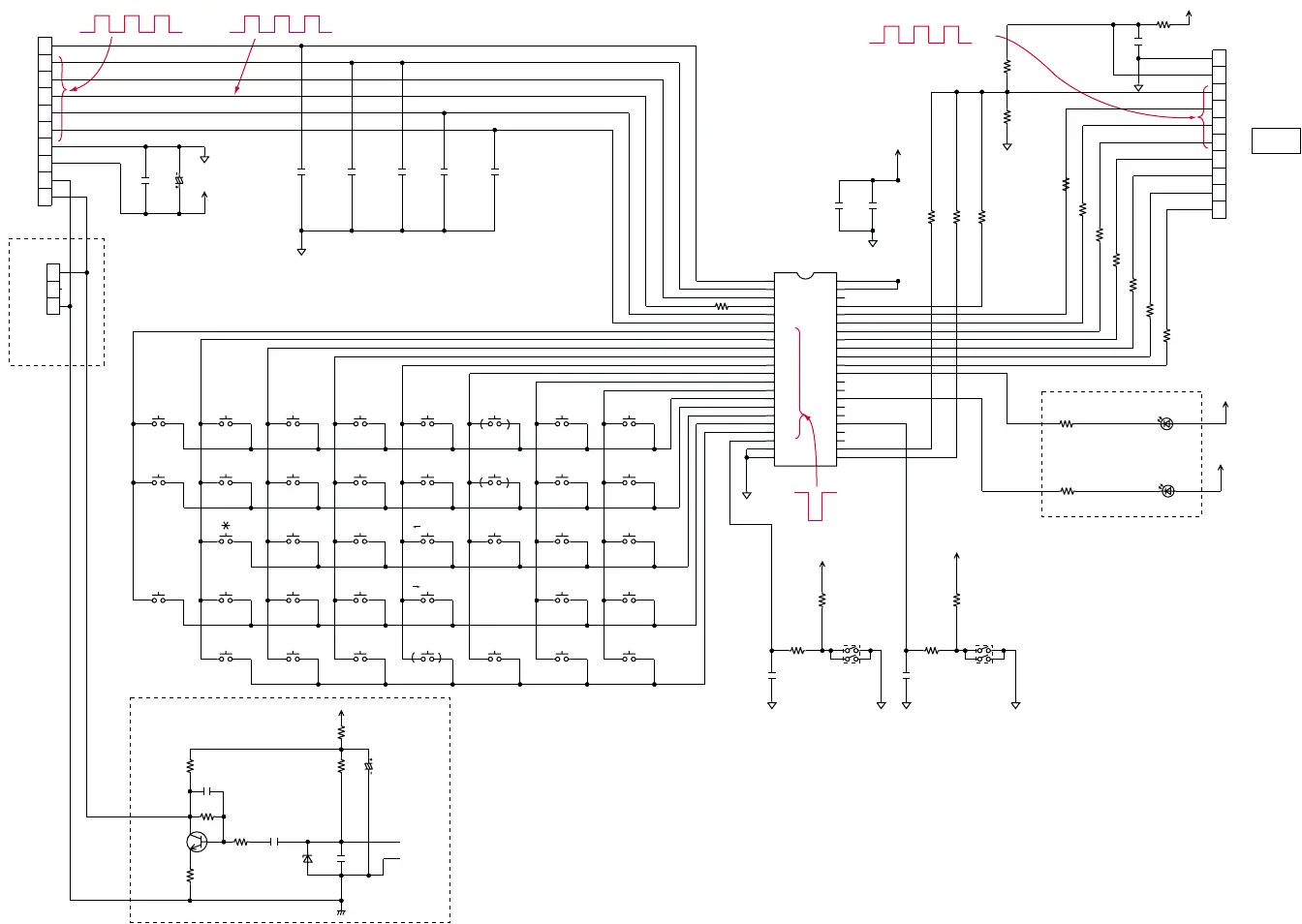
KX-FP342CX : OPERATION BOARD (PCB3)

Table of Contents

Related product manuals