EasyManua.ls Logo

Panasonic SA-PT170PH - Page 103

Panasonic SA-PT170PH
139 pages
Print Icon
To Next Page IconTo Next Page
To Next Page IconTo Next Page
To Previous Page IconTo Previous Page
To Previous Page IconTo Previous Page
Loading...
103
: +B SIGNAL LINE : CD/DVD VIDEO INPUT SIGNAL LINE: CD/DVD AUDIO INPUT SIGNAL LINE : AUDIO & VIDEO OUTPUT SIGNAL LINE
HDMI
(AV OUT)
A
B
C
D
E
F
G
H
1 2 3 4 5 6 7 8 9 10 11 12 13 14
1 2 3 4 5 6 7 8 9 10 11 12 13 14
A
B
D
E
F
H
G
C
A
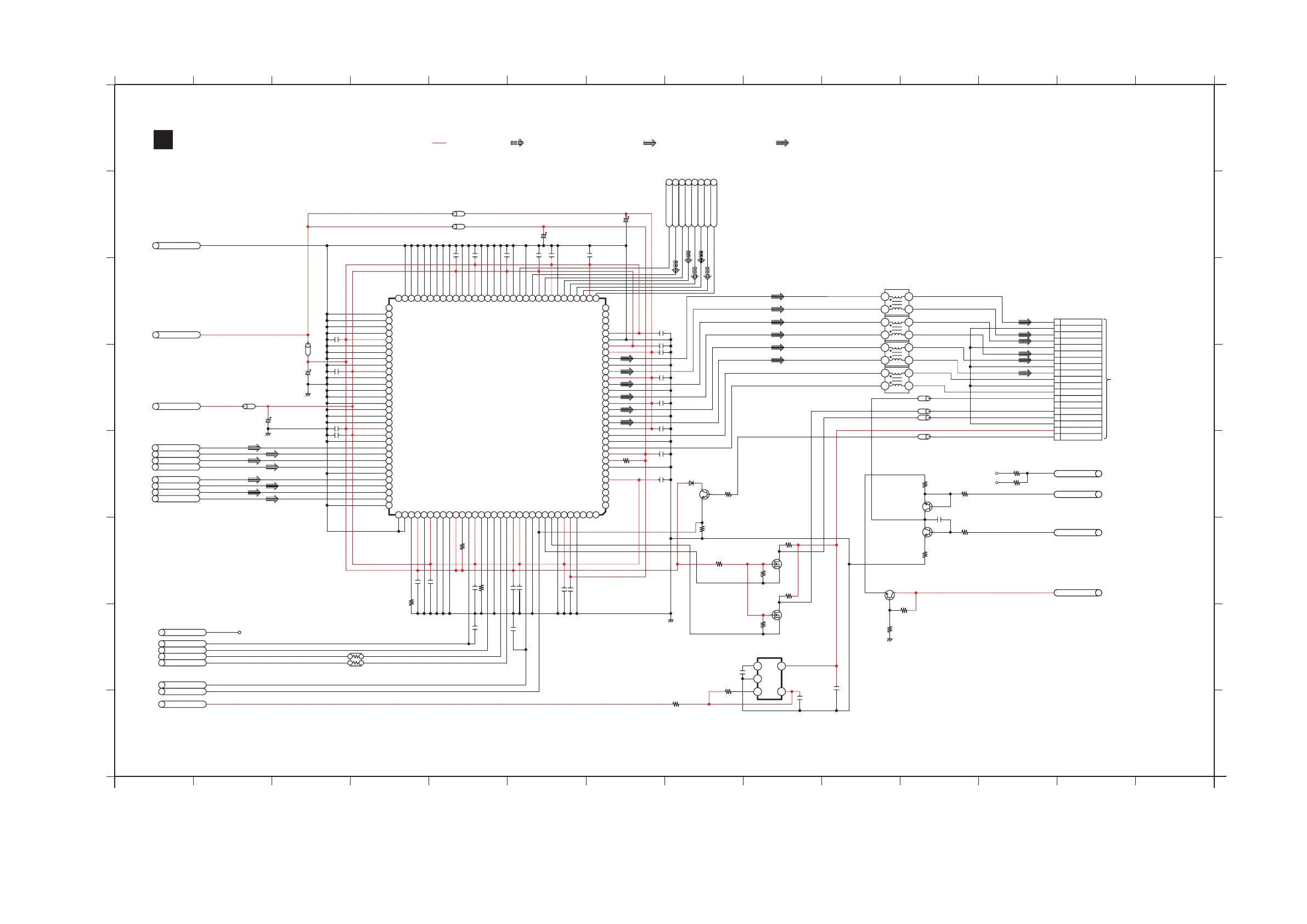
DVD MODULE(HDMI) CIRCUIT
SCHEMATIC DIAGRAM - 5
SA-PT170PH/PR DVD MODULE(HDMI) CIRCUIT
4
3
1
2
4
3
1
2
1
C3956
J0JCC0000042LB3906
R3943
100K
R3942
220K
2.7K
R3946
J0JCC0000042LB3905
R3941
27K
R3944
220
2SD1819A0L
Q3941
10K
R3945
Q3943
2SD1819A0L
C3941
220P
LB3903 J0JCC0000042
4
3
1
2
4
3
1
2
J0JCC0000042LB3904
6
7
5
9
12
10
11
18
19
16
17
13
15
14
8
1
3
4
2
P3901
D+3R3V
D+3R3V
1
C3917
C3901
LB3901
J0JHC0000045
0.1
C3929
C3940
0.1
C3911
1
AOUT1
AOUT2
ADAC-CLK
DMIXOUT
4V330P
C3904
SRCK
LRCK
AOUT0
AUDIODIGITAL
AOUT1
AOUT2
ADAC-CLK
DMIXOUT
SRCK
LRCK
AOUT0
AUDIODIGITAL
C3907
0.1
DGND
LB3907
J0JHC0000045
C3902
4V330P
1
C3909
LB3902
J0JHC0000045
C3914
0.1
C3910
0.1
1
C3924
C3908
0.1
VOUT6
VOUT7
C3923
1
VOUT4
VOUT1
VOUT2
VOUT0
VOUT3
C3928
0.1
R3901
510
VOUT5
VOUT6
VOUT7
VOUT4
VOUT1
VOUT2
VOUT0
VOUT3
VOUT5
MA2J72800L
D3901
R3902
10K
R3903
10K
0
0.1C3916
R3924
C3925 0.1
C3927 1
0.1C3921
C3918
0.1
0.1
C3964
0
K3903
C3919
1
TXRST
R3921
0
C3920
1
10K
R3925
HOTPLG
VCLK
M+9V
4
2
1
3
RX3901
D1H410120001
OSC27M
I2C_SDA
I2C_SCL
TXRST
NRST
HOTPLG
VCLK
M+9V
OSC27M
I2C_SDA
I2C_SCL
0
K3905
0.01
C3955
10K
R3947
1
C3915
0.1
C3913
0.1
C3922
C3930
1
NSW1R2V
NSW1R2V
LB3908
J0JHC0000045
C3906
4V330P
1
0.1
C3926
C3932
127125123117116 118115 120 121119
9897 99
105104 106102100 101 103 113111109108 110 112 114107 122 124 126
63 5052 51 4547 46 4142 38 343637 3540 3944 4349 486062 61 5657 5355 5459 5864
95
92
93
88
89
84
85
80
81
72
67
65
66
71
69
68
70
76
78
79
77
73
75
74
83
82
87
86
91
90
94
96
9
10
7
8
12
15
16
13
14
11
1
4
2
3
6
5
128
31
29
23
26
27
24
25
18
19
17
22
20
21
28
30
32
33
2K
R3905
R3907
2.2K
S
D
G
C3954
S
D
G
3
1
2
4
5
4.7K
R3906
4.7K
R3904
RSV
CEC
+5V
CLK-
CLK+
D2-
D2+
D1-
D0-
D0+
D1+
CLKGND
HDMISCL
HOTPLG
CECGND
HDMISDA
D2GND
D0GND
D1GND
DV
NSW+6V
DV
CECOUT
DV
CECIN
ADGND
NSW+6V
CECOUT
CECIN
DV
DV
DV
DV
DV
DV
DV
DV
DV
DV
DV
DV
PVDD1
TXCM
PVSS1
EXT_SWING
AVDD
NC
AMDAM
VSS
AMSDI0
VSS
VDD12
AMRX
AMDAWS
VDD33
AMSDI1
AVSS
AVDD
VDD33
AMSDI3
AVSS
AVDD
AVSS
AVDD
TX2P
TX2M
VDD33
VDD12
TX1P
TX1M
AMSDI2
[32]NC
[31]NC
[30]NC
TXOP
TX0M
AVSS
TXCP
NC
NC
PVDD2
NC
NC
NC
PVSS2
HPD
VSS
SCL
VSS
VDD12
SDA
NC
NC
VDD12
[1]NC
Q3901
2SD1819A0L
D9
D7
D5
D3
D1
D0
D2
D4
D6
D8
NC
DSD0
VDD12
PCLKIN
D35
D32
D29
D27
D25
D23
D24
D26
VSS
D30
D34
D33
VSS
VDD33
VDD12
NRESET
HCLK
HCLKDIV
D22
VDD12
D20
D18
NC
VSS
VSS
D15
D13
D12
D10
D11
VSS
D14
D16
D17
D19
VDD12
NC
VDD12
VDD33
LPSA
VDD33
D21
VSS
HSYNC
NIRQ
NTEST
DE
[96]NC
VDD12
VDD33
VSYNC
[65]NC
HSCL
HSDA
VDD33
VSS
VDD12
AMDACL
D31
D28
DV
DV
DV
DV
DV
DV
DV
DV
OUTIN
GND
DV
DV
DV
DV
DV
Noise
Bypass
DV
DV
VC
IC3901
MN864702A
HDMI TRANSMITTER
LEVEL SHIFTER
LEVEL SHIFTER
TERMINAL VOLTAGE REGULATOR
Q3903
B1CFHA000002
IC3952
C0CBCDC00063
Q3902
B1CFHA000002
BUFFER
L3903
G1BYYYC00026
L3904
G1BYYYC00026
L3905
G1BYYYC00026
L3906
G1BYYYC00026
BUFFER
2SD1819A0L
Q3942
SWITCH
SWITCH
4V330P
K3906 0
K3908 0
0.1
HD: DVD MODULE(HDMI): SCHEMATIC DIAGRAM - 5
DV: DVD MODULE(DV5U): SCHEMATIC DIAGRAM 1 - 4
C3965
8P
DV
NRST

Table of Contents

Related product manuals